0
问答首页 最新问题 热门问题 等待回答标签广场
我要提问

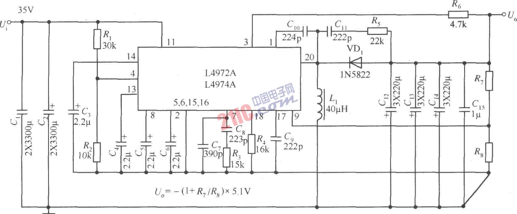
开关电源电路

由LTC1628-SYNC构成的输出为5V、5A,3.3V、5A双路直流稳压电源电路

由LTC1628-SYNC构成的输出为5V、5A,3.3V、5A双路直流稳压电源电路
提问者:ZONEK 地点:- 浏览次数:9580 提问时间:04-02 19:12
我有更好的答案
提 交
1条回答
asd009 04-08 18:24

 

撰写答案
提 交
1 / 3
1 / 3
相关开关电源电路
TEA1753T开关电源应用电路
TH-1024S集线器开关电源电路图
24V开关电源原理电路图
谁有开关电源电路原理图
一种UC3842设计的PWM开关电源电路