0
问答首页 最新问题 热门问题 等待回答标签广场
我要提问

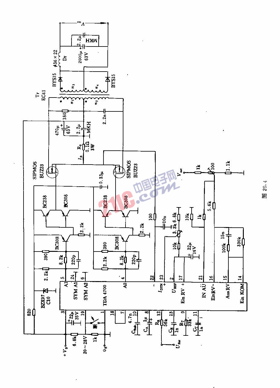
开关电源电路

50w直流变换器

50w直流变换器
提问者:qa110 地点:- 浏览次数:2456 提问时间:06-06 01:03
我有更好的答案
提 交
1条回答
zmyecho 06-06 21:17

 

 

 

 

撰写答案
提 交
1 / 3
1 / 3
相关开关电源电路
TEA1753T开关电源应用电路
TH-1024S集线器开关电源电路图
24V开关电源原理电路图
谁有开关电源电路原理图
一种UC3842设计的PWM开关电源电路