0
问答首页 最新问题 热门问题 等待回答标签广场
我要提问

开关电源电路报警电路

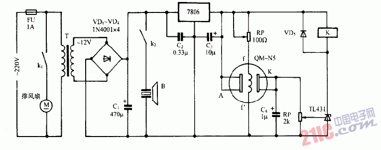
巧用TL431作煤气泄漏报警器电路图

巧用TL431作煤气泄漏报警器电路图
提问者:tianhua23 地点:- 浏览次数:3284 提问时间:02-17 19:19
我有更好的答案
提 交
1条回答
60user132 02-18 15:39

 

巧用TL431作煤气泄漏报警器电路图

 

撰写答案
提 交
1 / 3
1 / 3
相关开关电源电路
TEA1753T开关电源应用电路
TH-1024S集线器开关电源电路图
24V开关电源原理电路图
谁有开关电源电路原理图
一种UC3842设计的PWM开关电源电路
相关报警电路
直流电流电压变换电路图
简单的断开报警电路图
蜂鸣器报警电路
简单的连续波单音红外光束发射器电子图
接触式报警器电路图