0
问答首页 最新问题 热门问题 等待回答标签广场
我要提问

开关电源电路

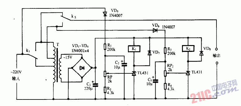
巧用TL431作交流稳压器电路图

巧用TL431作交流稳压器电路图
提问者:lulfu826 地点:- 浏览次数:2535 提问时间:07-06 12:02
我有更好的答案
提 交
1条回答
崇明土匪 07-08 22:37

 

巧用TL431作交流稳压器电路图

 

撰写答案
提 交
1 / 3
1 / 3
相关开关电源电路
TEA1753T开关电源应用电路
TH-1024S集线器开关电源电路图
24V开关电源原理电路图
谁有开关电源电路原理图
一种UC3842设计的PWM开关电源电路