0
问答首页 最新问题 热门问题 等待回答标签广场
我要提问

开关电源电路

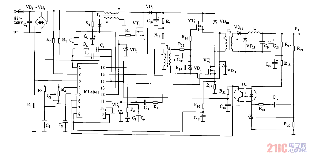
ML4841应用电路图

ML4841应用电路图
提问者:shuoabtian 地点:- 浏览次数:7981 提问时间:05-30 12:28
我有更好的答案
提 交
1条回答
dlksmad 06-03 11:40

ML4841应用电路图.gif

撰写答案
提 交
1 / 3
1 / 3
相关开关电源电路
TEA1753T开关电源应用电路
TH-1024S集线器开关电源电路图
24V开关电源原理电路图
谁有开关电源电路原理图
一种UC3842设计的PWM开关电源电路