0
问答首页 最新问题 热门问题 等待回答标签广场
我要提问

开关电源电路

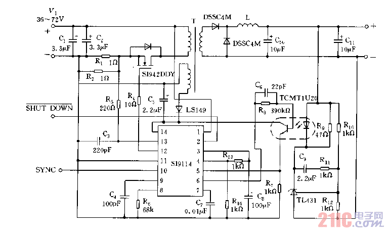
SI9114构成的DC,DC变换器的典型应用电路图

SI9114构成的DC,DC变换器的典型应用电路图
提问者:诺诺滴乖乖 地点:- 浏览次数:6641 提问时间:11-21 10:31
我有更好的答案
提 交
1条回答
tracyli1991 12-01 08:38

SI9114构成的DC,DC变换器的典型应用电路图.gif

撰写答案
提 交
1 / 3
1 / 3
相关开关电源电路
TEA1753T开关电源应用电路
TH-1024S集线器开关电源电路图
24V开关电源原理电路图
谁有开关电源电路原理图
一种UC3842设计的PWM开关电源电路