0
问答首页 最新问题 热门问题 等待回答标签广场
我要提问

开关电源电路电源

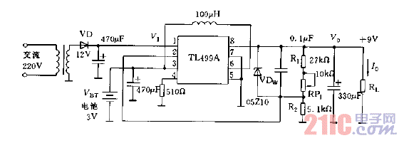
采用TL499A构成的电池后备电源电路图

采用TL499A构成的电池后备电源电路图
提问者:王伟01 地点:- 浏览次数:2930 提问时间:05-03 06:43
我有更好的答案
提 交
1条回答
qq97594051 05-09 01:31

采用TL499A构成的电池后备电源电路图.gif

撰写答案
提 交
1 / 3
1 / 3
相关开关电源电路
TEA1753T开关电源应用电路
TH-1024S集线器开关电源电路图
24V开关电源原理电路图
谁有开关电源电路原理图
一种UC3842设计的PWM开关电源电路
相关电源
TDA16846组成的彩电开关电源原理图
联想LX-PL4C2型彩色显示器开关电源电路
长虹CN-9机心彩电开关电源电路
索尼KV2184彩电开关电源电路
王牌TCL-3460D彩电开关电源电路