0
问答首页 最新问题 热门问题 等待回答标签广场
我要提问

开关电源电路降压电路

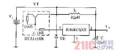
降压型直流,直流变换器电路图

降压型直流,直流变换器电路图
提问者:q153605268 地点:- 浏览次数:2894 提问时间:03-23 10:55
我有更好的答案
提 交
1条回答
小马哥996 03-30 06:11

降压型直流,直流变换器电路图.gif

撰写答案
提 交
1 / 3
1 / 3
相关开关电源电路
TEA1753T开关电源应用电路
TH-1024S集线器开关电源电路图
24V开关电源原理电路图
谁有开关电源电路原理图
一种UC3842设计的PWM开关电源电路
相关降压电路
采用内部RSENSE和LT3975降压型稳压器的LT6110(在3.3V)
采用降压开关稳压器LT1074测试电路设计
LTC1625:高效率降压型转换器电路图
降压电路图
MC34063降压变换器电路