0
问答首页 最新问题 热门问题 等待回答标签广场
我要提问

开关电源电路单片机

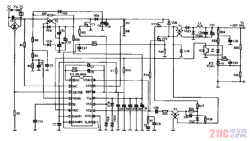
单片机控制的200W高功率因数SWPS电路图

单片机控制的200W高功率因数SWPS电路图
提问者:esgss 地点:- 浏览次数:1883 提问时间:07-05 17:00
我有更好的答案
提 交
1条回答
chendaizhi 07-09 16:14

单片机控制的200W高功率因数SWPS电路图.gif

撰写答案
提 交
1 / 3
1 / 3
相关开关电源电路
TEA1753T开关电源应用电路
TH-1024S集线器开关电源电路图
24V开关电源原理电路图
谁有开关电源电路原理图
一种UC3842设计的PWM开关电源电路
相关单片机
具有音调控制的单片机立体声前置放大器
用于单片机与电子装置中的开关电源
单片机软硬件复位的条件都有啥
电动机的单片机控制
单片机应用系统开发实例导航