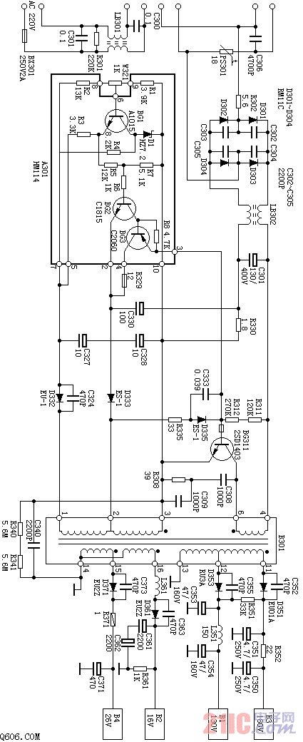
开关电源电路
振荡过程:
C310正端的约300V电压,经R311、R312加到开关管BG311的B极,同时经开关变压器B301的(4)、(6)绕组加到BG311的C极,开关管开始导通,在B301的(2)、(3)绕组产生(2)正(3)负的正反馈电压,经R335、D335、C333加到BG311的B极,BG311迅速饱和。
BG311饱和后,B301的(4)、(6)绕组中的电流线性增大,B301储存磁场能量。BG311的E极电流流过R330,在R330上产生线性增大的锯齿波电压,该电压经C330送到A301的(2)脚,使(2)脚内部两只控制管导通,经A301的(3)脚对开关管BG311的B极电流分流,同时C330负端的电压也经A301的(2)、(3)脚加到BG311的B极,最终使BG311退出饱和状态。
BG311一旦退出饱和状态,B301各绕组的感应电压极性全部翻转,B301(2)、(3)绕组的电压经R335、C333的反馈,使BG311迅速截止。
BG311截止期间,D351、D353、D361、D371均导通,B301储存的磁场能量被转化成电能得到释放,从而建立180V、130V、16V、26V四组电压。
BG311截止后,B301的(4)、(6)绕组与C308、C309和C310产生自由振荡,半个周期后,300V电压经R311、R312给C333充电,经过一段时间后,BG311截止期结束,又进入下一周期的振荡。
稳压过程:
B301的(1)、(3)绕组的电压,经D332整流,在C327和C328上产生约30V左右的直流电压,该电压的大小反映了输出电压的大小,该电压经A301的(7)、(10)脚送入内部取样电路,从而控制BG1的电流大小,也就控制了BG2、BG3的导通程度,最终控制了开关管BG311的导通时间。也就控制了输出电压的大小。
