0
问答首页 最新问题 热门问题 等待回答标签广场
我要提问

开关电源电路

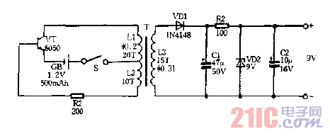
用1.2V电池做电源逆变电源电路图

用1.2V电池做电源逆变电源电路图
提问者:sdsasaf 地点:- 浏览次数:1823 提问时间:12-17 02:28
我有更好的答案
提 交
1条回答
hjfsywer 12-25 03:43

用1.2V电池做电源逆变电源电路图.gif

撰写答案
提 交
1 / 3
1 / 3
相关开关电源电路
TEA1753T开关电源应用电路
TH-1024S集线器开关电源电路图
24V开关电源原理电路图
谁有开关电源电路原理图
一种UC3842设计的PWM开关电源电路