0
问答首页 最新问题 热门问题 等待回答标签广场
我要提问

开关电源电路

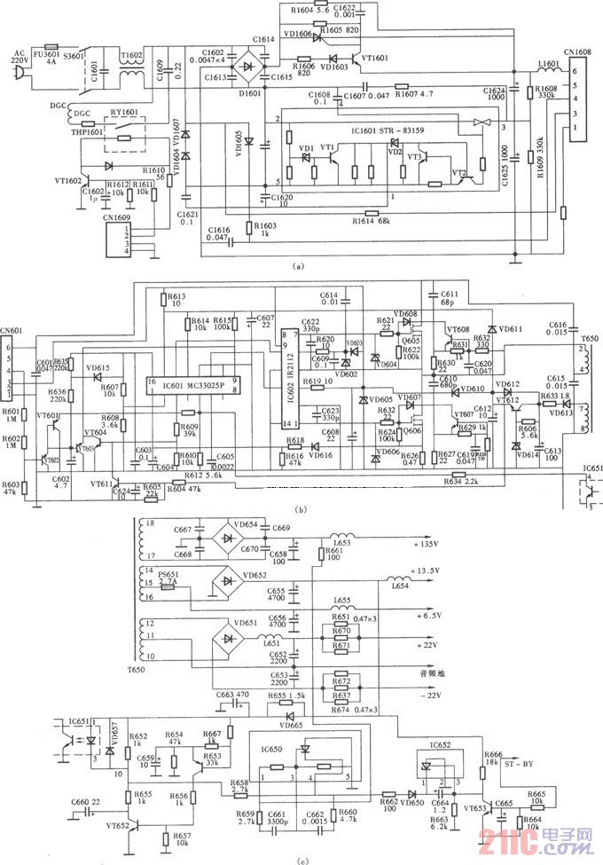
索尼KV-S29MHl彩电开关电源(SIR一80145A)电路图

索尼KV-S29MHl彩电开关电源(SIR一80145A)电路图
提问者:cswerwr 地点:- 浏览次数:3250 提问时间:05-06 14:55
我有更好的答案
提 交
1条回答
cmh28 05-10 01:42

如图所示的是索尼KV-S29MHl(S机芯系列)彩电开关电源(SIR一80145A)电路;


(a)是电源振荡部分;(b)是稳压部分;(c)是输出部分。


索尼KV-S29MHl彩电开关电源(SIR一80145A)电路图.jpg

撰写答案
提 交
1 / 3
1 / 3
相关开关电源电路
TEA1753T开关电源应用电路
TH-1024S集线器开关电源电路图
24V开关电源原理电路图
谁有开关电源电路原理图
一种UC3842设计的PWM开关电源电路