0
问答首页 最新问题 热门问题 等待回答标签广场
我要提问

开关电源电路

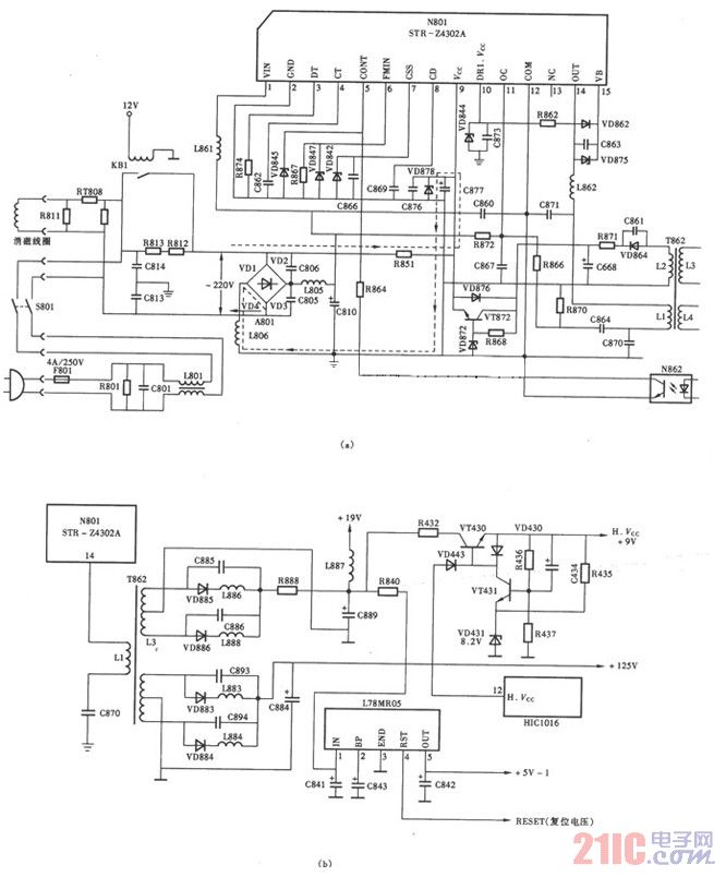
海信tg-1b机芯开关电源(str-z4302a)电路图

海信tg-1b机芯开关电源(str-z4302a)电路图
提问者:cherry_08042 地点:- 浏览次数:339 提问时间:05-31 13:50
我有更好的答案
提 交
1条回答
YIZHANGOUWU 06-04 00:03

海信TG-1B机芯彩电开关电源(STR-Z4302A)电路如图所示, (a)是电源振荡部分;(b)是各路输出电压形成部分路。


海信tg-1b机芯开关电源(str-z4302a)电路图.jpg

撰写答案
提 交
1 / 3
1 / 3
相关开关电源电路
TEA1753T开关电源应用电路
TH-1024S集线器开关电源电路图
24V开关电源原理电路图
谁有开关电源电路原理图
一种UC3842设计的PWM开关电源电路