0
问答首页 最新问题 热门问题 等待回答标签广场
我要提问

开关电源电路

开关电源

开关电源
提问者:60user193 地点:- 浏览次数:1334 提问时间:04-27 14:09
我有更好的答案
提 交
1条回答
jsgssg 04-29 17:25

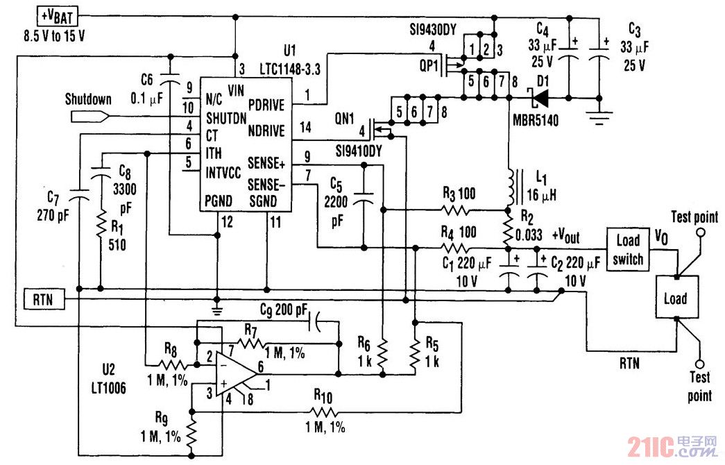
在许多便携式计算机的开关稳压器应用中,微处理器与电源有一定的距离。在最新的处理器中,总负载电流范围为几个安培。因此,负载调节已成为一个问题。LTC1148的ITH引脚(引脚6)与负载电流成正比。


开关电源.jpg

撰写答案
提 交
1 / 3
1 / 3
相关开关电源电路
TEA1753T开关电源应用电路
TH-1024S集线器开关电源电路图
24V开关电源原理电路图
谁有开关电源电路原理图
一种UC3842设计的PWM开关电源电路