0
问答首页 最新问题 热门问题 等待回答标签广场
我要提问

开关电源电路

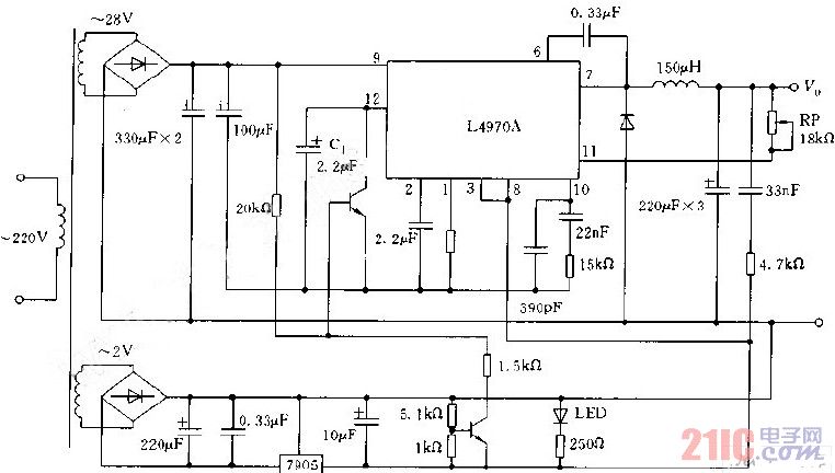
采用L4970A构成的可调开关电源电路图

采用L4970A构成的可调开关电源电路图
提问者:nvywerwer 地点:- 浏览次数:8023 提问时间:09-08 23:48
我有更好的答案
提 交
1条回答
kkusfwe 09-18 05:52

图中电路是采用-5V的辅助电源以扩大低电压的连续调节范围,RP为调节输出电压的电位器,C1为软启动电容,9脚的最大输入电压约为35V。


3.jpg

撰写答案
提 交
1 / 3
1 / 3
相关开关电源电路
TEA1753T开关电源应用电路
TH-1024S集线器开关电源电路图
24V开关电源原理电路图
谁有开关电源电路原理图
一种UC3842设计的PWM开关电源电路