0
问答首页 最新问题 热门问题 等待回答标签广场
我要提问

电子百科

usb3.0连接器

说明:

  •     USB 3.0中定义的连接器包括(本文不包含连接线缆):

        USB 3.0 A型插头和插座

        USB 3.0 B型插头和插座

        USB 3.0 Powered-B型插头和插座

        USB 3.0 Micro-B型插头和插座

        USB 3.0 Micro-A型插头

        USB 3.0 Micro-AB型插座

        1、USB 3.0 A型USB插头(plug)和插座(receptacle)

     

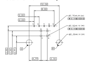
封装尺寸(单PIN Receptacle

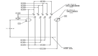
USB 3.0 B型USB插头(plug)和插座(receptacle)

引脚顺序

  •     引脚顺序(左侧为Plug,右侧为Receptacle,注意箭头所指斜口向上,USB端口朝向自己):

封装尺 寸(单PIN Receptacle):

提问者:xiaohongchen615 地点:- 浏览次数:10396 提问时间:07-05 07:00
我有更好的答案
提 交
撰写答案
提 交
1 / 3
1 / 3
相关电子百科
硅胶板
3D晶体管
双极性晶体管
晶体管时间继电器
导热硅胶垫