开关电源电路
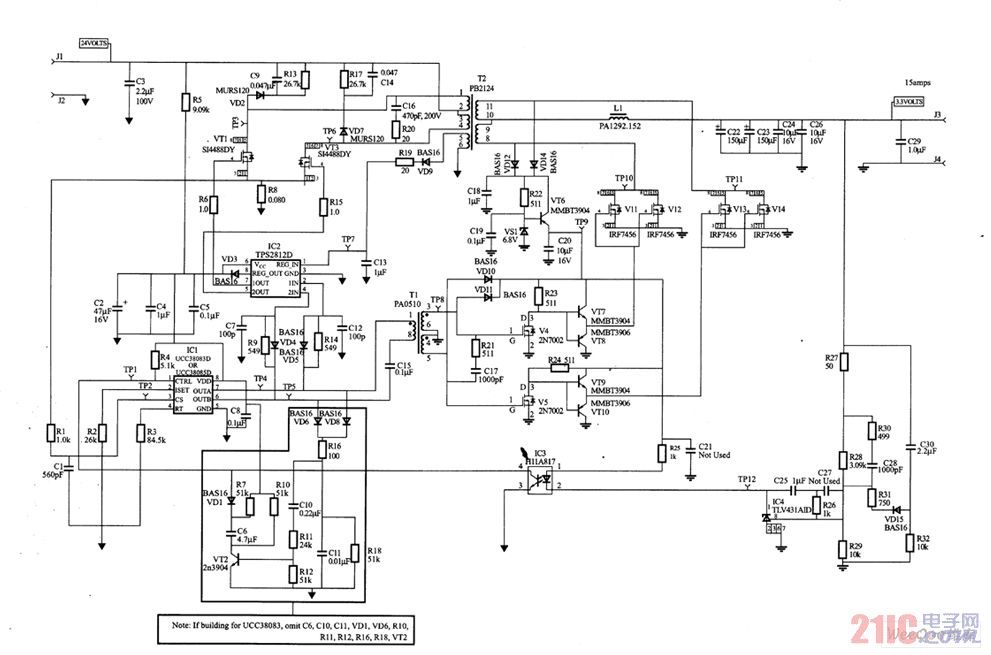
UCC38083/84 系列是BiCMOS工艺研制的新一代PWM控制器,其为电流型控制方式内部设置斜率补偿、软起动以及逐个周期式的限流方式,采用单一元件(Rt)设置振荡频率,最高可达1 MHz,并有很强的输出驱动能力,两输出之间死区设为110ns,最大占空比各自略小于50%,在IC内移去了误差放大器,斜率补偿采用从ISET端流出一电流,通过外接电限监视内部斜率补偿的幅度,此部分在内部增加一放大晶体管从CS端到地,在脉冲时钟的最后时激活工作,以便将CS电容上的电荷放掉,同时帮助减小滤波电容值和电流检测的延迟。下面的应用电路为一个50W,48V到3.3V/15A的DC/DC样板电路及PCB板的Layout及测试结果,如图1所示。

图1UCC38083控制的50WDC/DC电源电路