电子百科
当于或类似于可控的单向(或双向)二极管,利用其的可控功能,可实现弱电对强电的控制,加之晶闸管具有体积小、结构相对简单、功能强、重量轻、效率高、控制灵活等优点,晶闸管可用于下列过程:
1、可控整流:将交流电转换成可调的直流电;
2、逆变器:将直流电转换成交流电;
3、变频:将一种频率的交流电转换成另一种频率或频率可调的交流电;
4、交流调压:将固定的交流电压转换成有效值可调的交流电压;
5、斩波:将固定的直流电压转换成平均值可调的直流电压;
6、无触点通断:制作无触点开关,代替交流接触器实现通断控制。
晶闸管(可控硅)是比较常用的半导体器件之一。该器件被广泛应用于各种电子设备和电子产品中,家用电器中的调光灯、调速风扇、空调机、电视机、电冰箱、洗衣机、照相机、组合音响、声光电路、定时控制器、玩具装置、无线电遥控、摄像机及工业控制等都大量使用了可控硅器件。
大容量电力晶闸管,能在高电压、大电流条件下工作,能承受的电压和电流容量最高,工作可靠,额定电压达数千伏,额定电流达数千安,在大容量的场合具有重要地位,在电源装置、电力牵引、电力传动等电力电子中,应用广泛。
晶闸管属于半导体器件,也有过载能力较差、控制电路复杂的特点。
晶闸管往往专指晶闸管的一种基本类型,广义来说,晶闸管(可控硅)的衍生类型(种类)有很多。 按功能或触发方式分,除单向可控硅外,还有双向可控硅(TRIAC)、逆导可控硅(RCT)、可关断可控硅(GTO)、BTG可控硅、温控可控硅(TT国外,TTS国内)、光控可控硅(LTT)、及特殊功能的可控硅。 按引脚和极性分类,除三极的可控硅外、还有二极可控硅、四极可控硅。 按关断速度分类:可分为普通可控硅和快速可控硅。快速晶闸管包括所有专为快速应用而设计的晶闸管,有常规的快速晶闸管和工作在更高频率的高频晶闸管,可分别应用于400HZ和10KHZ以上的斩波或逆变电路中。(备注:高频不能等同于快速晶闸管)
按封装结构分,有塑封、陶瓷封装、带或不带散热片封装、金属封装。 按功率分,有小功率、中功率、和大功率。 中、小功率的有TO-92、TO-126、TO-220等塑封或陶瓷封装,圆壳形金属封装。 大功率的有螺栓型、平板型、圆壳型等,螺栓型的螺栓一端是阳极A(还用于固定散热器),另一端粗引线是阴极K、细引线是门极G


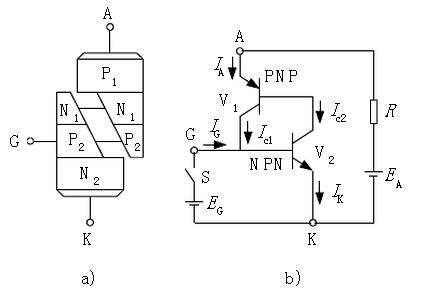
晶闸管的双晶体管模型及其工作原理 a) 双晶体管模型 b) 等效电路
如上图(a)所示,晶闸管有四层半导体、三个PN结,可将一只晶闸管看作是连在一起的一只PNP三极管和一只NPN三极管。其等效电路见图2(b)。 工作原理 在阳极A与阴极K之间加上正向电压的条件下,如果在门极G与阴极K之间加上触发电压,产生触发电流IG,V2导通并放大,产生IC2;IB1= IC2,V1导通并放大,产生IC1,在IG=0的情况下,IB2= IC1,晶闸管继续导通,并达到饱和状态。显然,只要IC1大于某一界限,即使触发电压已经消失,晶闸管将保持导通。这一界限称为晶闸管的维持电流。 晶闸管只有导通和关断两种工作状态。晶闸管在关断状态,如果阳极A电位高于是阴极K电位,且门极G、阴极K之间有足够的正向电压,则从关断转为导通。晶闸管在导通状态,如阳极A电位高于阴极K电位,且阳极A电流大于维持电流,即使除去门极G、阴极K之间电压,仍然维持导通;如阳极A电位低于阴极K电位或阳极A电流小于维持电流,则从导通转为关断。
晶闸管可用如图2所示的等效电路来表示。

式中a1和a2分别是晶体管V1和V2的共基极电流增益;ICBO1和ICBO2分别是V1和V2的共基极漏电流。由以上式(1-1)~(1-4)可得
晶体管的特性是:在低发射极电流下a 是很小的,而当发射极电流建立起来之后,a 迅速增大。 阻断状态:IG=0,a1+a2很小。流过晶闸管的漏电流稍大于两个晶体管漏电流之和; 开通(门极触发):注入触发电流使晶体管的发射极电流增大以致a1+a2趋近于1的话,流过晶闸管的电流IA(阳极电流)将趋近于无穷大,实现饱和导通。IA实际由外电路决定。 其他几种可能导通的情况:
1) 阳极A电压升高至相当高的数值造成雪崩效应;
2) 阳极A电压上升率du/dt过高;
3) 结温较高;
4) 光直接照射硅片,即光触发,光触发可以保证控制电路与主电路之间的良好绝缘而应用于高压电力设备中之外,其它都因不易控制而难以应用于实践,称为光控晶闸管(Light Triggered Thyristor——LTT)。只有门极触发(包括光触发)是最精确、迅速而可靠的控制手段