0
问答首页 最新问题 热门问题 等待回答标签广场
我要提问

电子百科

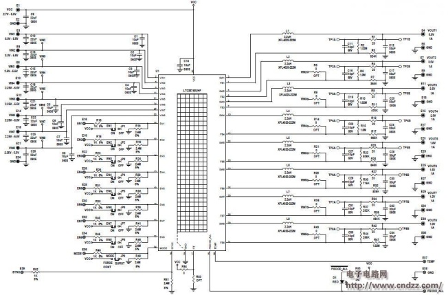
LTC33748

产品特点

  •   8通道独立降压型DC / DC

      主从配置为高达4A的输出轨每单个电感器

      独立VIN用品每个DC / DC(2.25V至5.5V)

      所有DC / DC具有0.8V - VIN输出范围

      精密使能引脚阈值自主测序

      可编程/可同步振荡器1MHz至3MHz频率(2MHz的默认)

      模具温度监视器输出

      耐热增强型38引线QFN(5毫米×7毫米)和TSSOP封装

演示电路板

  •   以下为采用8通道电源适配器LTC33748设计的演示电路板:

          

特性介绍

  •   VIN1-8,FB1-8,EN1-8,VCC,PGOOD_ALL

      同步RT模式:0.3V到6V

      温度: -0.3V(VCC+0.3V)或6V小

      工作结温范围:-40°C至150°C

      存储温度范围: -65°C至150°C

      注:LTC3374包括过热保护,保护在瞬间过载条件下的设备。结温将超过150°C时,过热保护是积极的。连续上述操作规定的最高工作结温可能会损害设备的可靠性。电流限制功能,这部分是为了保护IC从短期或间歇性故障条件。

提问者:60user143 地点:- 浏览次数:3891 提问时间:12-23 13:25
我有更好的答案
提 交
撰写答案
提 交
1 / 3
1 / 3
相关电子百科
硅胶板
3D晶体管
双极性晶体管
晶体管时间继电器
导热硅胶垫