0
问答首页 最新问题 热门问题 等待回答标签广场
我要提问

电子百科

FP6276

FP6276特点:

  •   电流模式PWM与/ PSM控制
      输入电压范围:2.4V~4.5V
      关断电流:  振荡器频率:500KHz的
      参考电压:0.6V+/-2%
      停机期间负载断开
      逐周期电流限制
      低RDS(ON):低端55mΩ,高side55mΩ。
      保护:OTP,输出过压,短路
      内部补偿
      内部软启动:7毫秒
      封装:SOP8(EP)

FP6276应用:

  •   充电器、手持设备、便携式产品、移动电源

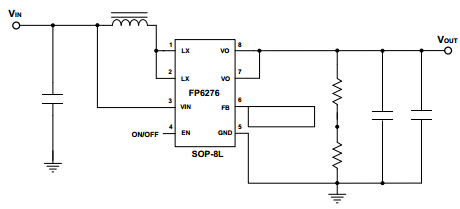
典型应用电路

功能框图

引脚说明

提问者:C880U 地点:- 浏览次数:11250 提问时间:08-27 13:46
我有更好的答案
提 交
撰写答案
提 交
1 / 3
1 / 3
相关电子百科
硅胶板
3D晶体管
双极性晶体管
晶体管时间继电器
导热硅胶垫