电子百科
·可根据数据调控高于、低于或等于 VIN 的 VOUT
·宽 VIN 范围:2.42V 至 15V、启动后 (自举) 为 1.92V 至 15V
·在降压模式中可提供 200mA 的输出电流
·1.3μA 静态电流
·可编程最大功率点控制
·1.2MHz 超低噪声
·引脚可选的突发模式操作
·高效率95%
·准确的 RUN 引脚门限
·电源良好指示器
·10nA 停机电流
·耐热性能增强型 3mm x 3mm QFN 封装和 16 引脚 MSOP 封装
无线传感器节点(工业)
太阳能板充电器
本身性能安全的电源
无线传声器
无线头戴式耳机(航空电子级)
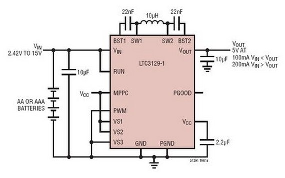
为了进一步减少组件数目并改善轻负载效率,LTC3129 内置了一个分压器以提供 8 种可选的固定输出电压。其他特点包括一个电源良好输出、小于 10nA 的停机电流以及热停机功能。

LTC3129 采用耐热性能增强型 3mm x 3mm QFN 封装和 16 引脚 MSOP 封装。