电子百科

具有关专业机构调查,中国电子市场对压电石英晶振的需求是越来越大了,从而使晶体行业达到膨胀式的发展,尤其是近几年时间国内的晶体厂家不断更新研发,从而导致一些很基本的电子元件慢慢的被淘汰掉了,就拿我们晶振行业来说像32.768KHZ系列的音叉型表晶,慢慢的就被音叉贴片式替代了,已经成为小型化的走向,而且现在的产品越做越精致,要求也越来越高,普通型的晶体已经不能满足市场的需求,所以各大生产厂商已经向石英振荡器的方向发展,而振荡器里面的温补晶振已经成为了电子各大厂商的争夺对象。
TCXO我们俗称温补晶振,是通过附加的温度补偿电路使由周围温度变化产生的振荡频率变化量削减的一种石英晶体振荡器.从而起到一个温度补偿的作用。比普通石英振荡器还要精确,比如说在北方天气寒冷,有些产品会因为天气的寒冷出现不良的现象,严重会导致整个产品瘫痪,所以就会用到TCXO晶振,这款晶振它会在天气温度变化中起到一个互相补助的作用,如果遇到气温低它会根据本身的补偿电路由周围温度变化产生出的振荡频率偏差,从而保护产品的稳定性。

为了能让广大新老客户更好的了解温补晶振性能,我们把温补晶振补偿原理做了个简单的测试。
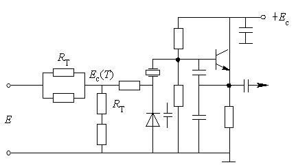
温补晶振由石英晶体振荡电路和温度补偿网络两部分组成。
振荡器的频率温度特性主要由晶体谐振器的频率温度特性决定。常用的AT切晶体谐振器的频率温度特性为三次曲线,温补晶振温度补偿的原理就是通过改变振荡回路中的负载电容,使其随温度变化来补偿谐振器由于环境温度变化所产生的频率漂移。
变容二极管D两端所加电压(即补偿电压)由温补网络输出,温补网络随温度自动调节输出电压,变容二极管容量随之改变,以抵消谐振器频率随温度的变化,可使输出频率基本不变。
温补网络补偿电压的测量多为人工手动完成。用小功率直流电压源代替温补网络,改变温度到目标点并保温,然后调节电压源输出,使振荡器输出达到中心频率,此时电压源输出即为该温度点的补偿电压;在各测试温度点重复以上操作,得到一组数据,即V-T曲线数据。这种手动测量方法效率低下,人力成本较高,而且手工记录测试数据,容易产生误差,难以实现精确快速的优质生产。
应用软件采用VB 6.0编写,后台数据库采用Microsoft Access数据库。运行软件,可以对程控仪器设备进行操作和控制,实现测试过程的自动控制、数据自动测试以及自动记录,为温度补偿网络参数计算过程提供准确可靠的输入数据.
目前温补晶振的技术水平的提高并没进入到极限,创新的内容和潜力仍较大。其中主要的有两点:一是小型化会使石英晶体振子的频率可变幅度变小,温度补偿更加困难;二是片式封装后在其接作业中,由于焊接温度远高于温补晶振的最大允许温度,会使晶体振子的频率发生变化,若不采限局部散热降温措施,难以将温补晶振的频率变化量控制在±0.5×10-6以下。