电子百科


对于普通变压器,其本身的高频特性差。而要改善低频响应,就要增加初级线圈匝数(加大电感),这样又导致分布电容的增大,使高频响应愈加变坏。采用高导磁率磁芯可使高、低频率特性大大改善,但磁芯都有其最佳工作频段,高于此频段时,磁芯的损耗增加,使其传输效率下降。由于分布电容和漏感的影响,即使采用了高导磁率磁芯的普通变压器,仍然不能工作在更高的频段和传递宽带信号。而新元件——传输线变压器,因其最高频率可达几百兆赫甚至上千兆赫,而常在射频段使用。
由于两根导线紧靠绕在一起,因此任意点的线间电容都是很大的,且在整个线上是均匀分布的。由于导线绕在高μ 磁芯上,故导线每一小段的电感量是很大的,且均匀分布在整个线上。由此传输线可以看成由许多电感、电容组成的耦合链,传输线变压器正是利用这些电感和电容之间的耦合, 完成了能量的传输。因此,在传输线变压器中,两线间的分布电容不但不会影响高频能量传输,而且是电磁能转换的必要条件。由于电磁波主要是在导线间的介质中传播,磁芯的损耗对信号传输的影响就会大大减少,所以传输线变压器的最高工作频率就可以大大提高,这就使传输线变压器传输高频、宽带信号成为可能。
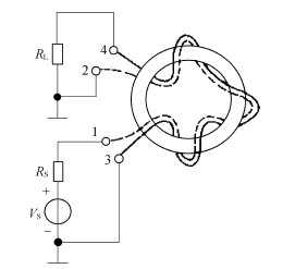
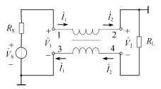
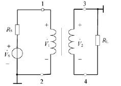
负载与传输线的特性阻抗相等时,即在负载匹配的条件下,两个线圈中通过的电流大小相等,方向相反(图2),在磁芯中产生的磁场正好相互抵消,因此磁芯中没有功率损耗,这对传输线工作方式极为有利。由于2、3 两端都接地,这样信号电压V1 加在传输线始端1、3 时,同时也加到线圈1、2 两端,负载则也接到线圈的3、4 端(图3),传输线变压器同时按变压器方式工作。由于电磁感应,负载也获得了与V1 大小相等的感应电压V2,不过V1 与V2 反相。此时,在1、3 和2、4 端的电压仍分别为V1 和V2,从而也保证了传输线工作方式的电压关系。


可见,在信号源和负载之间同时存在两条能量传输途径。在高频范围,激磁感抗很大,激磁电流可以忽略不计,传输线方式起主要作用,这时变压器的漏感和分布电容等都作为传输线特性阻抗的组成部分,上限频率不再受漏感和分布电容的限制,且不受磁芯频率上限的限制。在中频段上,漏感作用不明显,激磁感抗仍然很大,激磁电流仍可略去,传输变压器近似于理想传输线。同时由于传输线的电长度很短(一般小于八分之一波长)可视为短接线,输入信号将直接加到负载上,能量的传输不会受到变压器的影响,因此传输线变压器具有良好的高频特性。在低频率段,由于激磁感抗下降,激磁电流上升,输出将减小,但由于采用了高μ的磁芯,两线圈的耦合很紧,信号仍可由次级很好地输出,此时变压器传输方式起着主要作用。因此,在低频率段传输线变压器仍具有较好的特性。