电子百科
可测量多达 12 个串联电池的电压
可堆叠式架构能支持几百个电池
内置 isoSPITM 接口:
1Mb 隔离式串行通信
采用单根双绞线,长达 100 米
低 EMI 敏感度和辐射
针对符合 ISO26262 标准的系统而进行设计
采用可编程定时器的被动电池电荷平衡
5 个通用的数字 I/O 或模拟输入:
温度或其他传感器输入
可配置为一个 I2C 或 SPI 主控器
1.2mV 最大总测量误差
可在 290μs 之内完成系统中所有测量
同步的电压和电流测量
具频率可编程三阶噪声滤波器的 16 位增量累加 (ΔΣ) 型 ADC
4μA 睡眠模式电源电流
48 引脚 SSOP 封装
其他特点包括每节电池电荷的被动电荷平衡、一个内置的 5V 稳压器和 5 根通用的 I/O 线。在睡眠模式中,电流消耗减小至 4μA.LTC6804 可直接由电池或一个隔离式电源供电。
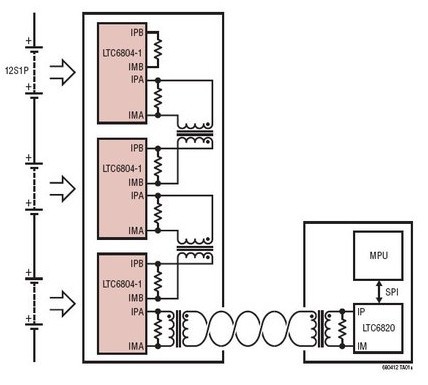
把多个 LTC6804 器件串接起来,因而能在长的高电压电池串中实现电池的同时监视。每个 LTC6804 具有一个 isoSPI 接口,用于实现高速、抗 RF 干扰的局域通信。使用 LTC6804-1 时,多个器件采用菊链式连接,且所有器件采用一根主处理器接线。而使用 LTC6804-2 时,多个器件并联连接至主处理器,而对每个器件进行个别寻址。
