电子百科

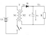
图1-a是反激式变压器开关电源的简单工作原理图, 图1-a中,Ui是开关电源的输入电压,T是开关变压器,K是控制开关,C是储能滤波电容,R是负载电阻。图1-b是反激式变压器开关电源的 电压输出波形。

把图1-a与图1-16-a进行比较,如果我们把图1-16-a中开关变压器次级线圈的同名端对调一下,原来变压器输出电压的正、负极性就会 完全颠倒过来,图1-b所示的电压输出波形基本上就是从图1-16-b的波形颠倒过来的。不过,因为图1-16-b的波形对应的是纯电阻负载,而图 1-b的负载是一个储能滤波电容和一个电阻并联。由于储能滤波电容的容量很大,其两端电压基本不变,变压器次级线圈输出电压uo相当于被整流二极管 和输出电压Uo进行限幅,因此,图1-16-b中输出电压uo的脉冲尖峰完全被削除,被限幅后的剩余电压幅值正好等于输出电压Uo的最大值Up,同时也等 于变压器次级线圈输出电压uo的半波平均值Upa。
反激式开关电源在控制开关接通期间不向负载提供功率输出,仅在控制开关关断期间才把存储能量转化成反电动势向负载提供输出;当控制开关的占空比为0.5时,变压器次级线圈输出电压的平均值Ua约等于电压最大值Up(用半波平均值Upa代之)的二分之一;而流过负载的电流Io(平均电流)正好等于流过变压器次级线圈最大电流的四分之一。
当反激式开关电源当控制开关的占空比为0.5时,电压脉动系数Sv约等于2或大于2,而电流脉动系数Si约等于4。反激式开关电源的电压脉动系数与正激式变压器开关电源的电压脉动系数基本相同,但电流脉动系数比正激式变压器开关电源的电流脉动系数大两倍。由此可知,反激式开关电源的电压和电流输出特性要比正激式变压器开关电源差。特别是,反激式开关电源使用的时候,为了防止电源开关管过压击,其占空比一般都取得小于0.5,此时,流过变压器次级线圈的电流会出现断流,电压和电流的脉动系数都会增加,其电压和电流的输出特性将变得更差。
由于反激式开关电源仅在控制开关关断期间才向负载提供能量输出,当负载电流出现变化时,开关电源不能立刻对输出电压或电流产生反应,而需要等到下个工作周期时,通过输出电压取样和调宽控制电路的作用,开关电源才开始对已经过去了的事件进行反应(即改变占空比),因此,反激式开关电源输出电压的瞬态控制特性相对来说比较差。有时,当负载电流变化的频率或相位正好与取样、调宽控制电路输出电压的延时特性在相位保持一致的时候,反激式开关电源输出电压可能会产生抖动。这种情况在电视机开关电源中最容易出现。
反激式开关变压器的铁心一般都需要留一定的气隙,一方面是为了防止变压器的铁心因流过变压器初级线圈的电流过大,容易产生磁饱和;另一方面是因为变压器的输出功率大小,需要通过调整变压器铁心的气隙和初级线圈的匝数,来调整变压器初级线圈的电感量大小。因此,反激式开关变压器初、次级线圈的漏感都比较大,从而会降低开关变压器的工作效率,并且漏感还会产生反电动势,容易把开关器件击穿。
反激式变压器开关电源的优点是电路比较简单,正反激式变压器开关电源少用一个大储能滤波电感,以及一个续流二极管,因此,反激式变压器开关电源的体积要比正激式变压器开关电源的体积小,且成本也要降低。此外,反激式变压器开关电源输出电压受占空比的调制幅度,相对于正激式变压器开关电源来说要高很多,因此,反激式变压器开关电源要求调控占空比的误差信号幅度比较低,误差信号放大器的增益和动态范围也比较小。由于这些优点,目前,反激式变压器开关电源在家电领域中还是被广泛使用。