0
问答首页 最新问题 热门问题 等待回答标签广场
我要提问

电子百科

陷波器

陷波器

陷波器的概述

  •   陷波器是利用压电陶瓷的压电效应制成的带阻滤波器,它的作用是阻止或滤掉信号中有害分量对电路的影响。有二端型和三端型两种结构,它在电路中的文字符号及图形符号与陶瓷滤波器相同。

陷波器的电路组成

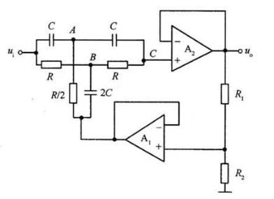
  •   陷波器主体包括三部分内容:选频部分,放大器部分,反馈部分. 设计时采用双 T 型带阻滤波器为基础并加入压控反馈得到.此陷波器具有良好的选 频特性和比较高的 Q 值,电路图如图1所示:

    陷波器的电路组成

陷波器的应用

  •   陷波器中最常见的为陶瓷陷波器,主要应用于电视、录象、视频、音效IF衰减器、和CATV/VCR接收器。
提问者:深圳市名晟电子 地点:- 浏览次数:831 提问时间:11-28 20:11
我有更好的答案
提 交
撰写答案
提 交
1 / 3
1 / 3
相关电子百科
硅胶板
3D晶体管
双极性晶体管
晶体管时间继电器
导热硅胶垫