浮标式气动量仪
浮标式气动量仪的原理
-
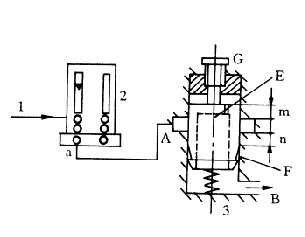
浮标式气动量仪的原理参照所示图一原理图,它是以稳压后的高压气流,进人内有浮子3的锥形玻璃管2中,在气体的压力下,浮子将会上升。浮子上升的高度取决于气动量规与零件之间的缝隙大小,间隙大,流量小浮子低,反之则浮子高。标尺的刻度以及测量范围与空气压力、管子锥度、浮子重量以及排气嘴的直经、气动量规与零件之间的缝隙等诸多因素有关。因此可改变上述因素来调整刻度尺。

图一 浮标式气动量仪原理图
锥形管锥度有1:1000与1:400两种。它所具有的优势是精度高,无惯性、效率高、标尺刻度均匀,然而其价格较高。图二是具有三个锥形管的浮标气动量仪,各管子浮标可依次升起为此它可以扩大测量范围到0.3mm。三个锥形管也可分别测量三个孔经。

图二 三个锥形管的浮标式气动量仪
浮标式气动量仪的特点
-
浮标式气动量仪在国内外已使用了几十年之久,在机械制造各行业发挥了极大的作用,它有如下特点:
1.结构简单;装配、调试、维修方便;
2.倍率调整阀与调零阀处不易堵塞,易 清洗;
3.锥度玻璃管采用端面压装,密封可靠,装卸方便;
4.浮标结构合理,稳定性好;除 个别零件外,工艺性好,加工成本低。
不过它的多管量仪的各管之间存在相互干扰现象,不适用于自动测量。
浮标式气动量仪的要求
-
外表面的图层与镀层应当无剥落、生锈等缺陷;
气动量仪不能影响使用性能的漏气;
放大倍数调整按钮和零位调整按钮转动应灵活、可靠,不应有明显的轴向窜动;
界限指针应便于上下调整,且能够定位准确,固定可靠;
刻度尺上的刻线、数字及其他标志应正确、均匀、清晰。
提问者:c1441424
地点:-
浏览次数:9612
提问时间:12-20 12:55
我有更好的答案