0
问答首页 最新问题 热门问题 等待回答标签广场
我要提问

开关电源电路电源

1000W全桥软开关电源移相控制系统电路图

1000W全桥软开关电源移相控制系统电路图
提问者:胡政鹏测试7 地点:- 浏览次数:7231 提问时间:04-02 01:51
我有更好的答案
提 交
1条回答
小点zze 04-02 17:33

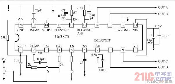
实用的100kHz、1000W移相控制ZVS全桥软开关电源IC控制系统UC3875与电路见图1。


1000W全桥软开关电源移相控制系统电路图.jpg

图1 用UC3875等组成移相控制系统实际电路图

撰写答案
提 交
1 / 3
1 / 3
相关开关电源电路
TEA1753T开关电源应用电路
TH-1024S集线器开关电源电路图
24V开关电源原理电路图
谁有开关电源电路原理图
一种UC3842设计的PWM开关电源电路
相关电源
TDA16846组成的彩电开关电源原理图
联想LX-PL4C2型彩色显示器开关电源电路
长虹CN-9机心彩电开关电源电路
索尼KV2184彩电开关电源电路
王牌TCL-3460D彩电开关电源电路