电子百科

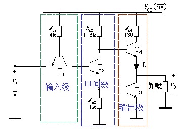
下图就是一个TTL反相器的基本电路。

该电路由三部分组成:
由三极管T1组成电路的输入级;
由T3、T4和二极管D组成输出级;
由T2组成的中间级作为输出级的驱动电路,将T2的单端输入信号vI2转换为互补的双端输出信号vI3和vI4,以驱动T3 和T4。
这里主要分析TTL反相器的逻辑关系,并估算电路中有关各点的电压,以得到简单的定量概念。
(1)当输入为高电平,如vI=3.6V时,电源VCC通过Rbl和T1的集电结向T2、T3提供基极电流,使T2、T3饱和,输出为低电平,如 vO=0.2V。此时 VB1=VBC1+VBE2+VBE3=(0.7+0.7+0.7)V=2.1V
T1的发射结处于反向偏置 ,而集电结处于正向偏置。所以T1处于发射结和集电结倒置使用的放大状态。由于T2和T3饱和,输出 VC3 =0.2V,同时可估算出VC2的值:VC2=VCE2+VB3=(0.2+0.7)V=0.9V
此时,VB4=VC2=0.9V。作用于T4的发射结和二极管D的串联支路的电压为VC2-Vo=(0.9-0.2)V=0.7V,显然,T4和D均截止,实现了反相器的逻辑关系:输入为高电平时,输出为低电平。
(2)当输入为低电平且电压为0.2V时,T1的发射结导通,其基极电压等于输入低电压加上发射结正向压降,即:VB1=(0.2+0.7)V=0.9V
此时VB1作用于T1的集电结和T2、T3的发射结上,所以T2、T3都截止,输出为高电平。
由于T2截止,VCC通过RC2向T4提供基极电流,致使T4和D导通,其电流流入负载。
输出电压为vO=Vcc-VBE4-VD=(5-0.7-0.7)V=3.6V
同样也实现了反相器的逻辑关系:输入为低电平时,输出为高电平。
(1) 输出高电平UOH :典型值为3V。
(2) 输出低电平UOL:典型值为0.3V。
(3) 开门电平UON:一般要求UON≤1.8V。
(4) 关门电平UOFF:一般要求UOFF≥0.8V。
在保证输出为额定低电平的条件下,允许的最小输入高电平的数值,称为开门电平UON。
在保证输出为额定高电平的条件下,允许的最大输入低电平的数值,称为关门电平UOFF。
(5) 阈值电压UTH:电压传输特性曲线转折区中点所对应的uI值称为阈值电压UTH(又称门槛电平)。通常UTH≈1.4V。
(6) 噪声容限( UNL和UNH ):噪声容限也称抗干扰能力,它反映门电路在多大的干扰电压下仍能正常工作。
UNL和UNH越大,电路的抗干扰能力越强。