电子百科

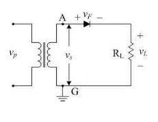
当A点电位高于G点时(高于0V),二极管顺向偏压,A点电位只要0.7V以上,电流流过二极管与负载电阻,二极管电压0.7V,其余电压由负载承担,负载电压Vl=Vs-0.7V

当A点电位低于G点时(低于0V),二极管逆向偏压,或A点电位在0.7V以下,无电流,电阻电压Vl=0V,所有电压由二极管承担。

全波整流,就是对交流电的正、负半周电流都加以利用,输出的脉动电流,是将交流电的负半周也变成正半周,即将50Hz的交流电流,变成100Hz的脉动电流。
半波整流,就是在交流电的半个周期有电流输出,另半个周期没有电流。50Hz的交流电经半波整流以后,输出的是50Hz的脉动电流。
交流电流动方向是反复交替变化的电流,而直流电是单方向流动,人们就利用二极管单向导电性将电流转换为一个方向的电流,半波整流用一个二极管,所以出来的电流一半有一半没有称半波整流,用在对直流电要求不是很严格的场合。
而用四个二极管,可以实现将交流电所有波型全部转换成单一方向的电流,所以叫全波整流。一般后面还需要加一个滤波电容,去除整流后的杂波即可,极性不能反了。全波整流的电路在通常变压器中常被采用。
