电子百科

一、根据隔膜
电解槽是电解所用主体设备的形式,可分为隔膜电解槽和无隔膜电解槽两类。隔膜电解槽又可分为均向膜(石棉绒)、离子膜及固体电解质膜(如β-Al2O3)等形式;无隔膜电解槽又分为水银电解槽和氧化电解槽等。
二、根据电解液
工业中使用的电解槽由槽体、电解液、阳极和阴极组成,多数用隔膜将阳极室和阴极室隔开。按电解液的不同分为水溶液电解槽、熔融盐电解槽和非水溶液电解槽三类。
1)水溶液电解槽
水溶液电解槽的形式,可分为隔膜电解槽和无隔膜电解槽两类。隔膜电解槽又可分为均向膜(石棉绒)、离子膜及固体电解质膜(如β-Al2O3)等形式;无隔膜电解槽又分为水银电解槽和氧化电解槽等。
采用不同的电解液时,电解槽的结构也有所不同。
水溶液电解槽分有隔膜和无隔膜两类。一般多用隔膜电解槽。在氯酸盐生产和水银法生产氯气和烧碱时,采用无隔膜电解槽。尽量增大单位体积内的电极表面积,可以提高电解槽的生产强度。因此,现代隔膜电解槽中的电极多为直立式。电解槽因内部部件材质、结构、安装等不同表现出不同的性能与特点。
2)熔融盐电解槽
多用于制取低熔点金属,其特点是在高温下运转,并应尽量防止水分进入,避免氢离子在阴极上还原。例如制取金属钠时,由于钠离子的阴极还原电位很负,还原很困难,必须用不含氢离子的无水熔融盐或熔融的氢氧化物,以免阴极析出氢。为此电解过程需在高温下进行,例如电解熔融氢氧化钠时为 310℃,如其中含有氯化钠成为混合电解质时,电解温度为650℃左右。电解槽的高温可以通过改变电极间距,将欧姆电压降所消耗的电能转变为热能来达到。电解熔融氢氧化钠时,槽体可用铁或镍,电解含有氯化物的熔融电解质时常由于原料中不可避免地带入少量水分,会使阳极生成潮湿的氯气,对电解槽的腐蚀作用很强,因此电解熔融氯化物的电解槽,一般用陶瓷或磷酸盐材料,而不受氯气作用的部位可用铁。熔融盐电解槽中的阴、阳极产物,同样要求妥善隔开,而且应尽快由槽中引出,以免阴极产物金属钠长时间飘浮在电解液表面,会进一步与阳极产物或空气中的氧起作用。
3)非水溶液电解槽
由于非水溶液电解槽在制取有机产品或电解有机物时,常伴随有各种复杂的化学反应,使其应用受到限制,工业化的不多。一般采用的有机电解液,电导率低,反应速度也小。因此,必须采用较低的电流密度,极间距尽量缩小。采用固定床或流化床的电极结构有较大的电极表面积,可提高电解槽生产能力。
三、根据电极的连接方式
电解槽按电极的连接方式,可分为单极式和复极式两类电解槽。单极式电解槽中同极性的电极与直流电源并联连接,电极两面的极性相同,即同时为阳极或同时为阴极。复极式电解槽两端的电极分别与直流电源的正负极相连,成为阳极或阴极。电流通过串联的电极流过电解槽时,中间各电极的一面为阳极,另一面为阴极,因此具有双极性。当电极总面积相同时,复极式电解槽的电流较小,电压较高,所需直流电源的投资比单极式者省。复极式一般采用压滤机结构形式,比较紧凑。但易漏电和短路,槽结构和操作管理比单极式复杂。单极式电解槽截面一般为长方形或方形,圆筒形占地大,空间利用率低,采用较少。
电解槽是当直流电通过电解槽时,在阳极与溶液界面处发生氧化反应,在阴极与溶液界面处发生还原反应,以制取所需产品。
1、电解的概念
使电流通过电解质溶液而在阴、阳两极引起氧化还原反应的过程叫做电解。
注意:
①电流必须是直流而不是交流。
②熔融态的电解质也能被电解。
在电解反应中,电能转化为化学能。
2、构成电解池的条件
(1)直流电源。
(2)两个电极。其中与电源的正极相连的电极叫做阳极,与电源的负极相连的电极叫做阴极。
(3)电解质溶液或熔融态电解质。
3、电解质导电的实质
对电解质溶液(或熔融态电解质)通电时,电子从电源的负极沿导线流入电解池的阴极,电解质的阳离子移向阴极得电子发生还原反应;电解质的阴离子移向阳极失去电子(有的是组成阳极的金属原子失去电子)发生氧化反应,电子从电解池的阳极流出,并沿导线流回电源的正极。这样,电流就依靠电解质溶液(或熔融态电解质)里阴、阳离子的定向移动而通过溶液(或熔融态电解质),所以电解质溶液(或熔融态电解质)的导电过程,就是电解质溶液(或熔融态电解质)的电解过程。

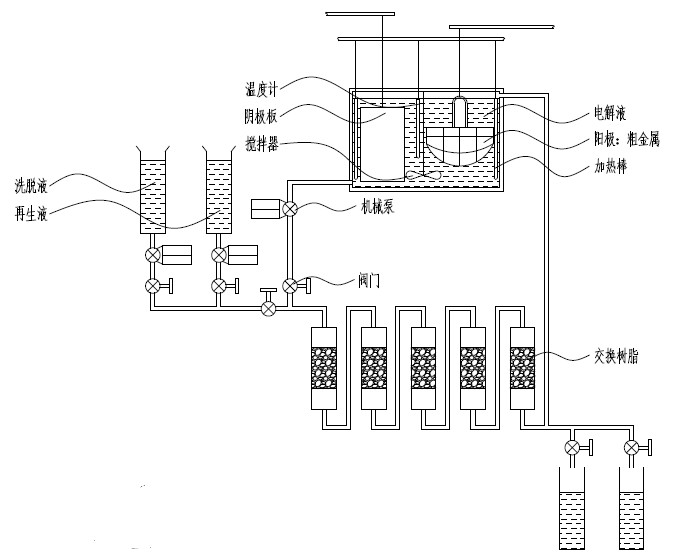
技术要求:
1、电解槽必须保证流动性好,成分均匀;
2、阴极板与阳极篮实现手动升降与移动;
3、电解槽材料为耐酸性材料;
4、在洗脱和再生过程中,对应溶液可以控制,并流出液分开存放;
5、电解液通过交换树脂的流量可控;
6、阴极板、阳极篮的材质为金属钛。