电子百科

用一个仪表放大器来完成信号的调理并进行长线传输,会产生以下问题:第一,由于传输的信号是电压信号,传输线会受到噪声的干扰;第二,传输线的分布电阻会产生电压降;第三,在现场如何提供仪表放大器的工作电压也是个问题。为了解决上述问题和避开相关噪声的影响,我们用电流来传输信号,因为电流对噪声并不敏感。4~20mA的电流环便是用4mA表示零信号,用20mA表示信号的满刻度,而低于4mA高于20mA的信号用于各种故障的报警。
一般传感器会把一个物理信号利用电桥等转化为与之对应的电信号,比如电压或电流。下面以一个恒流源电路来分析电压信号怎么产生与负载无关的电流信号,当然要产生4-20mA的电流信号,则把电压信号利用放大电路进行变换之后肯定是能做到的。如果传感器直接出来的是电流信号,则可以先变为电压信号,再经过信号调理电路肯定还能转换到4-20mA的电流信号。当然变换过程中的关系别人不需要知道。但是自己得知道,这样才能知道4mA的电流对应的物理量是多少,20mA的信号对应的物理量是多上少。
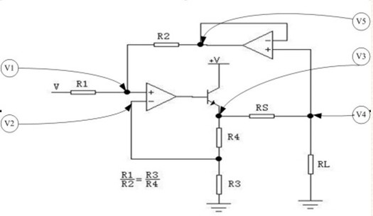
下图是郝兰德电路,是典型的电压电流转换电路。

其特点是负载电阻有一端接地(恒流源通常有这个要求),而取样电阻两端均不接地。之所以能够实现这个要求,关键就是上面一个运放和电阻的匹配。上面一个运放显然是跟随器,其输入阻抗很高,可以看成开路,其输出阻抗很低,可以看成电压源,而电位与Rs右端相同。这样就避免了R2中电流对输出的影响(R2不从输出端取用电流)。
由运放虚短概念可知,V2=V1,V5=V4
V3=V2+(V2/R3)*R4 ―> V3=V2*(1+R4/R3)=V1*(1+R4/R3)
V1=R1*(V5-V)/(R1+R2) + V -> V5=V1*(1+R2/R1) –V*(R2/R1)
= V3 –V*(R2/R1) = V4
采样电阻RS两端的电压为:V4-V3= V*(R2/R1)
流过RS的电流为:(V*(R2/R1))/RS,其大小与负载电阻RL无关,受输入电压V控制。
因此一般在处理器端对数据进行采集时,一般是把电流信号转化为电压信号,再用ADC来处理。对于精度不高的场合可以就直接接一个250欧姆的精密电阻,转化为1-5V的信号。如果精度要求高的话可以先用运放来处理再用ADC采集。下面是几种恒流源电路。

所谓环的概念,它要出去两根线进行传输,到达处理器之后要接上负载电阻,以供AD采样。正好构成一个环状。
电流环抗干扰性能较好,电流环通讯方式定义有两种:
模拟方式4~20mA,20mA代表逻辑0,4mA以下代表逻辑1,其抗干扰性能好,工业上常用;
另一种是开关量,仅用有无电流来传输数字信号。