电子百科

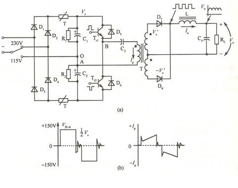
半桥变换器原理如图1(a)所示,图1(b)为变压器T原边绕组的电压VB-A和电流Ip的波形图。电容器C1、C2与开关晶体管Tr1、Tr2组成桥,桥的对角线接变压器T的原边绕组,故称半桥变换器。如果C1= C2,某一开关晶体管导通时,绕组上电压只有电源电压一半。

图1 半桥变换器电路及波形图
稳态条件下,在C1=C2,Tr1导通时,C1上的0.5Vs加在原边线圈上,Tr1流过负载电流Io折算至原边电流加上磁化电流。经占空比所定时间后,Tr1关断。此时,由于原边绕组和漏电感的作用,电流继续流入原边绕组黑点标示端。但B接点摆动到负电位(A为0电位)。如果原边绕组漏电感储存的能量足够大时,二极管D6将导通,钳位电压进一步变负。D6导通的过程,把反激能量再生,对C2进行充电。
B连接点的电压在阻尼电阻作用下以振荡形式最后回复到原来的中心值。这时Tr1、Tr2的缓冲器电容和电阻也参与振荡作用。
如果这时Tr2加有导通脉冲,Tr2导通,原边绕组黑点端变负。Io折算电流加上磁化电流,流经原边绕组和Tr2,然后重复以前的过程。不同的是,Ip反了方向,Tr2关断时接点B摆动到正,D5导通钳位,反激能量再生对C1进行充电。
副边电路的工作如下:当Tr1导通时,副边绕组V’s电压使D7导通,与正激变换器工作相似。当Tr1关断,两个绕组电压均朝零变化。副边回路电感L反激,储能继续向负载RL供能。当副边线圈电压降到零时,二极管D7、D8都起着续流作用,D7、D8分得的电流近似相等。在D7、D8都导通时,副边电压V’s钳位到零。
在稳态条件下,在晶体管导通期间通过L的电流增加,关断期间L的电流减小,其平均值等于输出电流Io。
忽略损耗,输出电压Vo按下式计算。
Vo==
式中 Vs──原边绕组电压(V);
Np──原边绕组匝数(匝);
Ns──副边绕组匝数(匝);
D──其中一管导通的占空比=;
Ts──工作原理(S)。
因此,通过使用合适的控制线路调整占空比,在电源电压Vs和负载Io变化时,可以保持输出电压Vo不变。