电子百科

恒流源电路就是要能够提供一个稳定的电流,要求恒流源电路输出恒定电流,因此作为输出级的器件应该是具有饱和输出电流的伏安特性。这可以采用工作于输出电流饱和状态的BJT 或者MOSFET来实现。其输入电压要稳定和输出晶体管的输出电阻尽量大(最好是无穷大保证输出晶体管的电流稳定)。
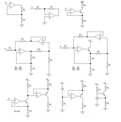
这几种电路都可以在负载电阻RL上获得恒流输出:

第一种由于RL浮地,一般很少用
第二种RL是虚地,也不大使用
第三种虽然RL浮地,但是RL一端接正电源端,比较常用
第四种是正反馈平衡式,是由于负载RL接地而受到人们的喜爱
第五种和第四种原理相同,只是扩大了电流的输出能力,人们在使用中常常把电阻R2取的比负载RL大的多,而省略了跟随器运放
第六种是本人设计的对地负载的V/I转换电路
后边两种是恒流源电路
对比几种V/I电路,凡是没有三极管之类的单向器件,都可以实现交流恒流,加了三极管之后就只能做单向直流恒流了.当然可以用功率放大器扩展输出电流.
第四和第五种是建立在正负反馈平衡的基础上的,电阻的误差而失去平衡,会影响恒流输出特性,也就是说,输出电流会随负载变化,而其他几种电路中电阻的误差只会影响输出电流的值,而不会影响输出特性
如果输出电流大,或者嫌三极管的集电极电流和发射极电流不相等,可以把三极管换成MOSFET 。