电子百科

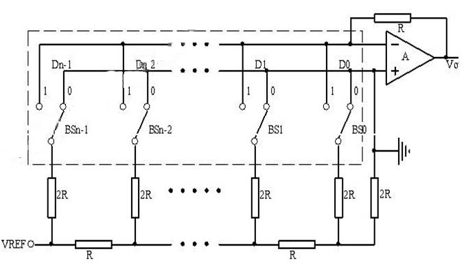
基准电压VREF
T型(R-2R)电阻网络
位切换开关BSi (i=0,1,…,n-1)
运算放大器A
输出电压VOUT与输入二进制数D0 ~ Dn-1的关系
VOUT = -VREF(D020+ D121+ D222+ … + Dn-12n-1)/ 2n

DA转换器输入的数字量是由二进制代码按数位组合起来表示的,任何一个n位的二进制数,均可用表达式
DATA=D020+D121+ D222+…… +Dn-12n-1
来表示。其中Di=0或1(i=0,1…n-1);20,21,…2n-1分别为对应数位的权。
在DA转换中,要将数字量转换成模拟量,必须先把每一位代码按其“权”的大小转换成相应的模拟量,然后将各分量相加,其总和就是与数字量相应的模拟量,这就是DA转换的基本原理。
1、分辨率
反映了DA转换器对模拟量的分辨能力,定义为基准电压与2n之比值,其中n为DA转换器的位数 。
它就是与输入二进制数最低有效位LSB(Least Significant Bit)相当的输出模拟电压,简称1LSB。在实际使用中,一般用输入数字量的位数来表示分辨率大小,分辨率取决于DA转换器的位数。
2、稳定时间(又称转换时间)
输入二进制数变化量是满量程时,DA转换器的输出达到离终值±1/2LSB时所需要的时间。对于输出是电流型的DA转换器来说,稳定时间是很快的,约几μs,而输出是电压的DA转换器,其稳定时间主要取决于运算放大器的响应时间。
3、绝对精度
指输入满刻度数字量时,DA转换器的实际输出值与理论值之间的偏差。该偏差用最低有效位LSB的分数来表示,如±1/2LSB或±1LSB。
4、线性误差