电子百科

隧道二极管是以隧道效应电流为主要电流分量的晶体二极管。隧道效应,是指在两片金属间夹有极薄的绝缘层(厚度大约为1nm(10-6mm),如氧化薄膜),当两端施加势能形成势垒V时,导体中有动能E的部分微粒子在E<V的条件下,可以从绝缘层一侧通过势垒V而达到另一侧的物理现象。
由重掺杂的p区和n区形成的PN结即隧道结。n型半导体的费米能级进入了导带,p型半导体的费米能级进入了价带,在没有外加电压,处于热平衡状态时,n区和p区的费米能级相等。n区导带底比p区价带顶还低,因此,在n区的导带和p区的价带中出现具有相同能量的量子态。在重掺杂情况下,杂质浓度大,势垒区很薄,由于量子力学的隧道效应,n区导带的电子可能穿过禁带,到p区价带,p区价带电子也可能穿过禁带到n区导带,从而有可能产生隧道电流。随着长度越短,电子穿过隧道的概率越大,隧道电流越显着。
隧道二极管的工作符合发生隧道效应具备的三个条件:
①费米能级位于导带和满带内;
②空间电荷层宽度必须很窄(0.01微米以下);
③简并半导体P型区和N型区中的空穴和电子在同一能级上有交叠的可能性。
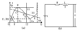
隧道二极管的伏安特性,如图(a)所示,是一条S型特性曲线。曲线中最大电流点P,称为峰点;最小电流点V,称为谷点。其电流和电压间的变化关系与一般半导体二极管不同。当某一个极上加正电压时,通过管的电流先将随电压的增加而很快变大,但在电压达到某一值后,忽而变小,小到一定值后又急剧变大;如果所加的电压与前相反,电流则随电压的增加而急剧变大。

隧道二极管的主要参数:
(1)峰点电压Up,约几十毫伏,谷点电压Uv,约几百毫伏
(2)峰点电流Ipi,约几毫安,谷点电流Iv约几百微安
(3)峰谷电流比,约为5-6,越大越好
(4)谷点电容Cv,几微法至几十微法,越小越好,国产2BS4A:Up=80毫伏,Ip=4毫安,峰谷电流比≥5,Cv=10~15微法,Uv=280毫伏。