线性稳压器
线性稳压器原理
-

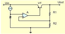
线性稳压器的基本电路如图所示,该电路由串联调整管VT、取样电阻R1和R2、比较放大器A组成。
取样电压加在比较器A的同相输入端,与加在反相输入端的基准电压Uref相比较,两者的差值经放大器A放大后,控制串联调整管的压降,从而稳定输出电压。当输出电压Uout降低时,基准电压与取样电压的差值增加,比较放大器输出的驱动电流增加,串联调整管压降减小,从而使输出电压升高。相反,若输出电压Uout超过所需要的设定值,比较放大器输出的前驱动电流减小,从而使输出电压降低。供电过程中,输出电压校正连续进行,调整时间只受比较放大器和输出晶体管回路反应速度的限制。
实际的线性稳压器还应当具有许多其它的功能,比如负载短路保护、过压关断、过热关断、反接保护等,而且串联调整管也可以采用MOSFET。
线性稳压器的作用
-
现代线性稳压器,以满足一个独特的结构数量提供具有挑战性的要求。基本上,线性稳压器是一个运算放大器和晶体管加答运算放大器使用两个参考点- 一个是内部带隙基准,另一种是分频电路的输出电阻。在监管过程中,电阻分压器电路提供的运算放大器相比,带隙参考意见。比较的结果决定增加或减少沟道晶体管导通电流。它有两个闭环系统的主极,这是两个误差放大器/通道内部主极极晶体管,输出电流和输出电容的ESR的需求构成了外部极。两个主导极点治疗会影响设备的性能,并会构成闭环重大影响的稳定性。
线性稳压器的优点
-
线性稳压器的突出优点是具有最低的成本,最低的噪声和最低的静态电流。它的外围器件也很少,通常只有一两个旁路电容。新型线性稳压器可达到以下指标:30μV 输出噪声、60dB PSRR、6μA 静态电流及100mV的压差。线性稳压器能够实现这些特性的主要原因在于内部调整管采用了P沟道场效应管,而不是通常线性稳压器中的PNP晶体管。P沟道的场效应管不需要基极电流驱动,所以大大降低了器件本身的电源电流;另一方面,在采用PNP管的结构中,为了防止PNP晶体管进入饱和状态降低输出能力,必须保证较大的输入输出压差;而P沟道场效应管的压差大致等于输出电流与其导通电阻的乘积,极小的导通电阻使其压差非常低。当系统中输入电压和输出电压接近时,线性稳压器是最好的选择,可达到很高的效率。所以在将锂离子电池电压转换为3V 电压的应用中大多选用线性稳压器,尽管电池最后放电能量的百分之十没有使用,但是线性稳压器仍然能够在低噪声结构中提供较长的电池寿命。
提问者:chinarensz
地点:-
浏览次数:3734
提问时间:04-14 15:31
我有更好的答案