电子百科

D/A转换器将输入的数字量转换为模拟量输出,数字量是由若干数位构成的,就是把每一位上的代码按照权值转换为对应的模拟量,再把各位所对应的模拟量相加,所得到各位模拟量的和便是数字量所对应的模拟量。
在集成化的D/A转换器中,通常采用电阻网络实现将数字量转换为模拟电流,然后再用运算放大器完成模拟电流到模拟电压的转换。目前D/A转换集成电路芯片大都包含了这两个部分,如果只包含电阻网络的D/A芯片,则需要连接外接运算放大器才能转换为模拟电压。根据电阻网络的结构可以分为权电阻网络DAC 、T型电阻网络DAC、倒T型电阻网络DAC、权电流DAC等形式。
(1)分辨率(Resolution)
D/A转换器的分辨率是指DAC电路所能分辨的最小输出电压与满量程输出电压之比。最小输出电压是指输入数字量只有最低有效位为1时的输出电压,最大输出电压是指输入数字量各位全为1时的输出电压。DAC的分辨率可用下式表示:
分辨率=1/(2n-1)
式中,n表示数字量的二进制位数。
DAC产生误差的主要原因有: 基准电压VREF的波动,运放的零点漂移,电组网络中电阻阻值偏差等原因。
(2)转换误差
转换误差常用满量程FSR(Full Scale Range)的百分数来表示。有时转换误差用最低有效位LSB(Least Significant Bit)的倍数来表示。
DAC的转换误差主要有失调误差和满值误差。
DAC的分辨率和转换误差共同决定了DAC的精度。要使DAC的精度高,不仅要选择位数高的DAC,还要选用稳定度高的参考电压源V REF和低漂移的运算放大器与其配合。
(3)建立时间(Setting Time)
建立时间是指输入数字量变化后,输出模拟量稳定到相应数值范围所经历的时间,是描述DAC转换速度快慢的一个重要参数。
其他指标还有线性度(Linearity)、转换精度、温度系数/漂移等。
(1)电压输出型
电压输出型D/A转换器虽有直接从电阻阵列输出电压的,但一般采用内置输出放大器以低阻抗输出。直接输出电压的器件仅用于高阻抗负载,由于无输出放大器部分的延迟,故常作为高速D/A转换器使用。
(2)电流输出型
电流输出型D/A转换器直接输出电流,但应用中通常外接电流一电压转换电路得到电压输出。电流一电压可以直接在输出引脚上连接一个负载电阻,实现电流一电压转换。但多采用的是外接运算放大器的形式。另外,大部分CMOS D/A转换器当输出电压不为零时不能正确动作,所以必须外接运算放大器。由于在D/A转换器的电流建立时间上加入了外接运算放入器的延迟,使D/A响应变慢。此外,这种电路中运算放大器因输出引脚的内部电容而容易起振,有时必须作相位补偿。
(3)乘算型
D/A转换器中有使用恒定基准电压的,也有在基准电压输入上加交流信号的,后者由于能得到数字输入和基准电压输入相乘的结果而输出,因而称为乘算型D/A转换器。乘算型D/A转换器一般不仅可以进行乘法运算,而且可以作为使输入信号数字化地衰减的衰减器及对输入信号进行调制的调制器使用。
另外,根据建立时间的长短,D/A转换器可分为以下几种类型: 低速D/A转换器,建立时间≥100μs;中速D/A转换器,建立时间为10~100μs;高速D/A转换器,建立时间为1~10μs;较高速D/A转换器,建立时间为100ns~1μs;超高速D/A转换器,建立时间为<100ns。
根据电阻网络的结构可以分为权电阻网络D/A转换器、T型电阻网络D/A转换器、倒T型电阻网络D/A转换器、权电流D/A转换器等形式。
数模转换有两种转换方式:并行数模转换和串行数模转换。
1、并行数模转换
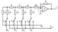
图1为典型的并行数模转换器的结构。虚线框内的数码操作开关和电阻网络是基本部件。图中装置通过一个模拟量参考电压和一个电阻梯形网络产生以参考量为基准的分数值的权电流或权电压;而用由数码输入量控制的一组开关决定哪一些电流或电压相加起来形成输出量。所谓“权”,就是二进制数的每一位所代表的值。例如三位二进制数“111“,右边第1位的“权”是 20/23=1/8;第2位是21/23=1/4;第3位是22/23=1/2。位数多的依次类推。图2为这种三位数模转换器的基本电路,参考电压VREF在R1、R2、R3中产生二进制权电流,电流通过开关。当该位的值是“0”时,与地接通;当该位的值是“1”时,与输出相加母线接通。几路电流之和经过反馈电阻Rf产生输出电压。电压极性与参考量相反。输入端的数字量每变化1,仅引起输出相对量变化1/23=1/8,此值称为数模转换器的分辨率。位数越多分辨率就越高,转换的精度也越高。工业自动控制系统采用的数模转换器大多是10位、12位,转换精度达0.5~0.1%。
2、串行数模转换
串行数模转换是将数字量转换成脉冲序列的数目,一个脉冲相当于数字量的一个单位,然后将每个脉冲变为单位模拟量,并将所有的单位模拟量相加,就得到与数字量成正比的模拟量输出,从而实现数字量与模拟量的转换。
随着数字技术,特别是计算机技术的飞速发展与普及,在现代控制、通信及检测等领域,为了提高系统的性能指标,对信号的处理广泛采用了数字计算机技术。由于系统的实际对象往往都是一些模拟量(如温度、压力、位移、图像等),要使计算机或数字仪表能识别、处理这些信号,必须首先将这些模拟信号转换成数字信号;而经计算机分析、处理后输出的数字量也往往需要将其转换为相应模拟信号才能为执行机构所接受。这样,就需要一种能在模拟信号与数字信号之间起桥梁作用的电路--模数和数模转换器。