电子百科

●1.8 V单电源供电
●信噪比(SNR):49.3 dBFS(200 MHz输入,250 MSPS)
●无杂散动态范围(SFDR):65 dBc(200 MHz输入,250 MSPS)
●低功耗:314 mW(250 MSPS)
●片内基准电压源和采样保持
●各通道1.2 V峰峰值模拟输入范围
●差分输入、500 MHz带宽
●微分非线性(DNL)误差:±0.2 LSB
●串行端口控制选项
-- 偏移二进制、格雷码或二进制补码数据格式
-- 可选时钟占空比稳定器
-- 内置可选数字测试码生成功能
●引脚可编程省电功能
●提供48引脚LFCSP封装
● 编码时钟
双通道模数转换器有两个相互联结的数据采样通道,由一个ENCODE输入量(编码时钟)来控制采样频率。两个模数转换器(ADCA、ADCB)同时对模拟输入信号AINA、AINB采样,并行输出数字信号(D0A~D7A和D0B~D7B)。
双通道模数转换器的采样频率范围为5Msps~60Msps。由于受ENCODE引脚结构特点的影响,芯片中的两个数据采样通道不能以交替的方式工作。
● 基准电压及其接口控制
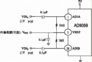
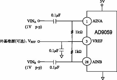
基准电压(VREF)接口和两个模数转换器相连,如需外基准电压控制时,该接口将对数据采样通道增益和偏移量进行跟踪。模拟输入信号在输入到数据采样通道前,先通过前端电路进行跟踪/保持,跟踪/保持电路在转换过程中始终保持输入数据值不变。2.5V的基准电压用来设置模数转换器的增益/偏移量,并对模拟输入信号提供直流偏置。 为获得最佳的动态性能,VREF管脚应通过一个0.1μF的电容接地实现去耦,且偏置电阻约为1kΩ,见图1。

● 休眠模式
在系统停止数据采样时,选择休眠模式可最大限度减少芯片功耗。将PWRDN引脚置为高电平可关闭双采样通道并使功耗降到10mW以下(休眠模式)。休眠模式时的数字输出管脚都被置为高阻态。如要取消休眠模式,可通过将PWRDN引脚接地来实现。两个模数转换通道均同时受PWRDN引脚的控制,且其中任一通道不能独立打开或关闭(A、B通道相关联,均共用一个编码时钟)。
● 应用实例

图2是一个基于双通道模数转换器
的RGB视频编码器。视频编码器由两个AD9059组成,先对模拟视频信号滤波并分离出R、G、B三基色信号,再分别对三基色信号采样、量化,产生各自相对应的8位数据,最终形成24位的图像像素数据。该设计充分体现了芯片双通道采样的设计思想,从而使得图像编码更加方便,图像数据的精度也有了很大提高,完全能够满足绝大多数数字图像处理的需要。