电子百科

时序电路最主要的特点是任一时刻的输出不仅与该时刻输入变量的取值有关,而且与电路的原状态,即与过去的输入情况有关。
另外相比组合逻辑电路,时序逻辑电路还有两个特点:
第一,时序逻辑电路的组成——组合逻辑电路和存储电路(具有记忆功能,记忆电路过去的输入情况);
第二,存储电路的状态(称为时序电路的状态,可用状态变量表示,其由过去输入值决定)反馈到组合逻辑电路的输入端,与外部输入信号共同决定组合逻辑电路的输出。
一、画逻辑电路图
根据元件符号,查集成电路手册,从电路连线图画出逻辑电路图,给输入、输出信号取名。如CP,Reset,Z等。
二、写出各激励函数和输出函数
分析异步时序电路时,还要写出时钟方程。
三、将激励函数代入特征方程,得次态方程
根据次态方程和输出函数,用逐一分析法(表格法、代数法)或者统一分析法(K图法)分析各个现态的次态。最后画出完整的状态图和状态表。
四、讨论(结论)
该电路为能自启动的七进制同步计数器,初态为000,Y为进位输出,计数编码为自然二进制码。
五、工作可靠性检查
1、信号是否会负载过重,如CP。
2、时钟频率
六、改进设计
1、成本
2、要能自启动(特别重要)
时序逻辑电路通常可以按照电路的工作方式、电路输出对输入的依从关系或者输入信号的形式进行分类。
一、按电路的工作方式分类
按照电路的工作方式,时序逻辑电路可分为同步时序逻辑电路(简称同步时序电路)和异步时序逻辑电路(简称异步时序电路)两种类型。
1.同步时序电路
电路中所有触发器的CP脉冲都连接在同一个输入CP脉冲上。
2.异步时序逻辑电路
异步时序逻辑电路的存储电路可由触发器或延时元件组成,电路中没有统一的时钟信号同步,电路输入信号的变化将直接导致电路状态的变化。
二、时序电路按输出信号的特点又可以分为米里(Mealy)型和摩尔(Moore)型时序电路两种。
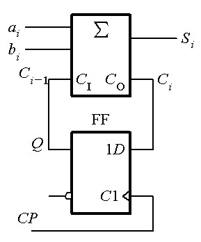
1、Mealy型时序电路的输出函数为 Z= F(X,Q),即某时刻的输出决定于该时刻的外部输入X和内部状态Q,如图所示的Mealy型串行加法器电路。在该电路中,ai、bi为串行数据输入,si为串行数据输出,si=ai+bi+ci-1,或si= ai+bi+Q。

2、Moore型时序电路的输出函数为 Z = F(Q),如图所示的Moore型串行加法器电路。在该电路中串行数据输出si=Q1。Mealy型串行加法器电路和Moore型串行加法器电路具有相同的逻辑功能,但Moore型串行加法器电路的输出比Mealy型串行加法器的输出迟一个节拍。

三、按输入信号形式分类
时序逻辑电路的输入信号可以是脉冲信号也可以是电平信号。根据输入信号形式的不同,时序逻辑电路通常又被分为脉冲型和电平型两种类型。
四、按功能分类
时序电路在功能上大致有以下三大类时序电路:控制型时序电路、检测型时序电路、计数型时序电路
1. 逻辑方程式

2. 状态转移表
状态转移表也称状态迁移表或状态表,是用列表的方式来描述时序逻辑电路输出Z、次态Qn+1和外部输入X、现态Q之间的逻辑关系。
3. 状态转移图
●状态图是状态表的图形表示方式,它比状态表更直观。作图方法:用圆圈表示状态
●状态之间的转换用带箭头的曲线表示,其箭头方向表示转换方向
●引起转换的信号条件用输入取值组合(有时是逻辑表达式)标注在箭头旁
4. 时序图
时序图,即为时序电路的工作波形图。它以波形的形式描述时序电路内部状态Q、外部输出Z随输入信号X变化的规律。其具体画法将在后面的内容中讲解。
① 根据逻辑图求出时序电路的输出方程和各触发器的激励方程(分析异步时序电路时,还要写出时钟方程)。
② 根据求出的激励方程(有时还有时钟方程)和所用触发器的特征方程,写出时序电路的次态方程。
③ 根据时序电路的次态方程和输出方程,用逐一分析法(代数法、表格法)或者统一分析法(K图法)分析各个现态的次态。建立状态转移表,画出状态图和波形图。
④ 分析电路的逻辑功能(说明能否自启动等)。