电子百科


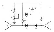
图为一典型的窗口比较器电路,电路由两个集成运放组成,输入电压ui分别接到运放Al的同相输入端和A2的反相输入端,参考电压UH和UL分别加在Al的反相输入端和A2的同相输入端。两个集成运放的输出端各通过一个二极管后并联在一起,成为窗口比较器的输出端。
●当输入电压uI>URH时,uI>URL,所以集成运放A1的输出uO1=+UOM,A2的输出uO2=-UOM。使得二极管D1导通D2截止,稳压管DZ工作在稳压状态,输出电压uO=+UZ。
●当输入电压uIRL时,uIRH,所以集成运放A1的输出uO1=-UOM,A2的输出uO2=+UOM。使得二极管D2导通D1截止,电流通路如图所标注,稳压管DZ工作在稳压状态,输出电压uO=+UZ。
●URLIRH时,uO1=uO2=-UOM,所以D1和D2均截止,稳压管截止,uO=0。
URH和URL分别为比较器的两个阈值电压,设URH和URL均大于零,则传输特性如图(b)所示。
