电子百科

从20世纪20年代到20世纪60年代末,许多滤波器是由无源元件如电阻、电容和电感组成。而其中的无源LC梯形网络是一种非常有用的结构,因为它对元件的变化不太敏感。
20世纪50年代人们发现,用有源电路来代替体积大而且价格昂贵的电感可以大大地减小电路的尺寸和降低电路的成本。
20世纪60年代中期高质量的有源器件如运算放大器开始出现。
20世纪70年代中期有源RC滤波器开始流行,人们开始考虑将滤波器进行集成。
在最近二十年,有源集成滤波器在信号处理应用中开始变得越来越重要。在这样的电路中,有源器件是单片集成的。与由分立有源元件构成的滤波器相比,这些单片集成电路有着许多优点,减少了系统中元件的数目,山于芯片上元件的良好匹配性使得滤波器的设计简化了不少。此外,自动调谐电路能够减少工艺和温度变化所带来的误差,与分立无源滤波器相比,集成滤波器大大地减少了寄生电容。当集成滤波器进行大规模生产时,其成本也极大地降低了,对于生产来说,集成滤波器相对便宜。另外,可使印刷电路板上的元件更少,这样会使成本更低,可靠性更高,尺寸更小,功耗更低。因此,将滤波器尽可能地进行集成是非常重要的。
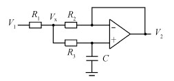
集成连续时间滤波器是在犚犆滤波器的基础上发展而来的。图1是一个1阶连续时间滤波器的电路原理图。它由3个电阻、1个电容和1个运算放大器组成。

设输入为V1,运放输出为V2,电阻R1,R2 和R3交点的电位是Vx,电阻R2的阻值是R,R1和R3的阻值是2R,下面推导它的传输函数,根据运放的性质可得:

公式(4)就是图1所示的1阶连续时间滤波器的传输函数。将2个相同的1阶连续时间滤波器串联起来就可组成图2所示的2阶连续时间滤波器。它是一个带宽可调的低通滤波器,同时调节电路中的2个可变电容犆就可改变连续时间滤波器的工作频率。
1.RC有源滤波器
RC有源滤波器是山运算放大器、电阻、电容这些基本元件构成的。在集成电路中,这些电阻由普通的电阻或多晶硅来实现。但是,这类滤波器对RC元件的变化比较敏感。一般来说,这类滤波器一般适用于低频应用中。因而这类滤波器的应用受到了很大的限制。
2.MOSFET-C滤波器
MOSFET-C滤波器是基于有源RC滤波器得来的,它的电阻用工作在线性区MOS管来实现。它的一个主要问题是失真问题。我们可用一组晶体管来代替单个的品体管来消除失真。然而,即使采用了这样的措施,其工作频率也不会太高,主要是运算放大器限制了其工作频率。
3.跨导电容滤波器
跨导电容滤波器比前面讨论过的滤波器有许多优点,最主要的是它有较低的功耗和较高的应用频率。跨导电容滤波器由跨导Gm和电容C组成。跨导电容滤波器被普遍应用于高频领域,例如在通信系统中,滤波器是非常重要的组成部分。在射频接收系统中,天线的输出紧跟个射频预选择滤波器混频器前需要镜像反射滤波器, AID转换前需要经过信道选择滤波器和抗混叠滤波器另一个典型的应用是计算机中的硬盘驱动系统,在从硬盘中读取数据的时候,必须要有一个均衡滤波器,以提供延迟补偿,减小信号间的干扰。上述这些滤波器的共同点是它们都工作在非常高的频率上,范围可能从几兆赫兹到几百兆赫兹,甚至达到几十吉赫兹。