电子百科

(1)高压(HVD)断开和恢复功能:控制器应具有输入高压断开和恢复连接的功能。
(2)欠压(LVG)告警和恢复功能:当蓄电池电压降到欠压告警点时,控制器应能自动发出声光告警信号。
(3) 低压(LVD)断开和恢复功能:这种功能可防止蓄电池过放电。通过一种继电器或电子开关连结负载,可在某给定低压点自动切断负载。当电压升到安全运行范围时,负载将自动重新接入或要求手动重新接入。有时,采用低压报警代替自动切断。
(4)保护功能:
① 防止任何负载短路的电路保护。
② 防止充电控制器内部短路的电路保护。
③ 防止夜间蓄电池通过太阳电池组件反向放电保护。
④ 防止负载、太阳电池组件或蓄电池极性反接的电路保护。
⑤ 在多雷区防止由于雷击引起的击穿保护。
(5)温度补偿功能:当蓄电池温度低于25℃时,蓄电池应要求较高的充电电压,以便完成充电过程。相反,高于该温度蓄电池要求充电电压较低。 通常铅酸蓄电池的温度补赏系数为 -5mv/?C/CELL 。
1 太阳电池输入路数:1――12路
2 最大充电电流:
3 最大放电电流:
4 控制器最大自身耗电不得超过其额定充电电流的1%
5 通过控制器的电压降不得超过系统额定电压的5%
6 输入输出开关器件:继电器或MOSFET模块
7 箱体结构:台式、壁挂式、柜式
8 工作温度范围:-15°C - +55 ℃
9 环境湿度:90%
光伏控制器基本上可分为五种类型:并联型、串联型、脉宽调制型、智能型和最大功率跟踪型。
并联型控制器: 当蓄电池充满时,利用电子部件把光伏阵列的输出分流到内部并联电阻器或功率模块上去,然后以热的形式消耗掉。因为这种方式消耗热能,所以一般用于小型、低功率系统,例如电压在12伏、20安以内的系统。这类控制器很可靠,没有如继电器之类的机械部件。
串联型控制器: 利用机械继电器控制充电过程,并在夜间切断光伏阵列。它一般用于较高功率系统,继电器的容量决定充电控制器的功率等级。比较容易制造连续通电电流在45安以上的串联控制器。
脉宽调制型控制器:它以PWM脉冲方式开关光伏阵列的输入。当蓄电池趋向充满时,脉冲的频率和时间缩短。按照美国桑地亚国家实验室的研究,这种充电过程形成较完整的充电状态,它能增加光伏系统中蓄电池的总循环寿命。
智能型控制器: 采用带CPU的单片机(如 Intel公司的MCS51系列或Microchip公司PIC系列)对光伏电源系统的运行参数进行高速实时采集,并按照一定的控制规律由软件程序对单路或多路光伏阵列进行切离/接通控制。对中、大型光伏电源系统,还可通过单片机的RS232接口配合MODEM调制解调器进行远距离控制。
最大功率跟踪型控制器: 将太阳电池的电压U和电流I检测后相乘得到功率P,然后判断太阳电池此时的输出功率是否达到最大,若不在最大功率点运行,则调整脉宽,调制输出占空比D,改变充电电流,再次进行实时采样,并作出是否改变占空比的判断,通过这样寻优过程可保证太阳电池始终运行在最大功率点,以充分利用太阳电池方阵的输出能量。同时采用PWM调制方式,使充电电流成为脉冲电流,以减少蓄电池的极化,提高充电效率。
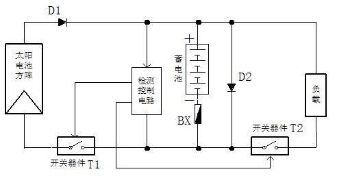
1 单路并联型充放电控制器:

并联型充放电控制器充电回路中的开关器件T1是并联在太阳电池方阵的输出端,当蓄电池电压大于“充满切离电压”时,开关器件T1导通,同时二极管D1截止,则太阳电池方阵的输出电流直接通过T1短路泄放,不再对蓄电池进行充电,从而保证蓄电池不会出现过充电,起到“过充电保护”作用。
D1为防“反充电二极管”,只有当太阳电池方阵输出电压大于蓄电池电压时,D1才能导通,反之D1截止,从而保证夜晚或阴雨天气时不会出现蓄电池向太阳电池方阵反向充电,起到“放反向充电保护”作用。
开关器件T2为蓄电池放电开关,当负载电流大于额定电流出现过载或负载短路时,T2关断,起到“输出过载保护”和“输出短路保护”作用。同时,当蓄电池电压小于“过放电压”时,T2也关断,进行“过放电保护”。
D2为“防反接二极管”,当蓄电池极性接反时,D2导通使蓄电池通过D2短路放电,产生很大电流快速将保险丝BX烧断,起到“防蓄电池反接保护”作用。
检测控制电路随时对蓄电池电压进行检测,当电压大于“充满切离电压”时使T1导通进行“过充电保护”; 当电压小于“过放电压”时使T2关断进行“过放电保护”。
2 串联型充放电控制器:

串联型充放电控制器和并联型充放电控制器电路结构相似,唯一区别在于开关器件T1的接法不同,并联型T1并联在太阳电池方阵输出端,而串联型T1是串联在充电回路中。当蓄电池电压大于“充满切离电压”时,T1关断,使太阳电池不再对蓄电池进行充电,起到“过充电保护”作用。
其它元件的作用和串联型充放电控制器相同,不再赘述。
3.检测控制电路的组成和工作原理:

检测控制电路包括过压检测控制和欠压检测控制两部分。
检测控制电路是由带回差控制的运算放大器组成。A1为过压检测控制电路,A1的同相输入端由W1提供对应“过压切离”的基准电压,而反相输入端接被测蓄电池,当蓄电池电压大于“过压切离电压”时,A1输出端G1为低电平,关断开关器件T1,切断充电回路,起到过压保护作用。当过压保护后蓄电池电压又下降至小于“过压恢复电压”时,A1的反相输入电位小于同相输入电位,则其输出端G1由低电平跳变至高电平,开关器件T1由关断变导通,重新接通充电回路。“过压切离门限”和“过压恢复门限”由W1和R1配合调整。
A2为欠压检测控制电路,其反相端接由W2提供的欠压基准电压,同相端接蓄电池电压(和过压检测控制电路相反),当蓄电池电压小于“欠压门限电平”时,A2输出端G2为低电平,开关器件T2关断,切断控制器的输出回路,实现“欠压保护”。欠压保护后,随着电池电压的升高,当电压又高于“欠压恢复门限”时,开关器件T2重新导通,恢复对负载供电。“欠压保护门限”和“欠压恢复门限”由W2和R2配合调整。