电子百科


高速光电耦合器6N137 由磷砷化镓发光二极管和光敏集成检测电路组成。通过光敏二极管接收信号并经内部高增益线性放大器把信号放大后,由集电极开路门输出。6N137引脚图和内部结构图如图1和图2所示。该光电器件高、低电平传输延迟时间短,典型值仅为45ns ,已接近TTL 电路传输延迟时间的水平。具有10Mbps的高速性能,因而在传输速度上完全能够满足隔离总线的要求。内部噪声防护装置提供了典型10kV/μs的共模抑制功能。除此之外,6N137还具有一个控制端,通过对该端的控制, 可使光耦输出端呈现高阻状态。
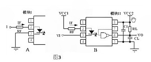
1:N.C.;2:Anode(阳极);3:Cathode(阴极);4:N.C.;5:GND;6:Output(Open collector开路集电极);7:Enable(使能端);8:VCC
6N137原理图

6N137的内部结构原理如图3所示,信号从脚2和脚3输入,发光二极管发光,经片内光通道传到光敏二极管,反向偏置的光敏管光照后导通,经电流-电压转换后送到与门的一个输入端,与门的另一个输入为使能端,当使能端为高时与门输出高电平,经输出三极管反向后光电隔离器输出低电平。当输入信号电流小于触发阈值或使能端为低时,输出高电平,但这个逻辑高是集电极开路的,可针对接收电路加上拉电阻或电压调整电路。
简单的原理如图1所示,若以脚2为输入,脚3接地,则真值表如附表2所列,这相当于非门的传输,若希望在传输过程中不改变逻辑状态,则从脚3输入,脚2接高电平。
1、PLC高速计数器信号转换
2、伺服电机控制信号转换
3、旋转编码器控制信号转换
4、光栅尺输出信号转换
5、PLC与单片机脉冲信号转换
6、PLC、伺服电机控制系统抗干扰处理
7、各类标准、非标脉冲信号互转
9、任意波形(正弦波、三角波、非规则波形)转方波脉冲信号
在应用PLC高速计数器时往往会碰到,计数器与输入计数脉冲信号的脉冲电平不匹配、旋转编码器、光栅尺数据输出是TTL电平,而PLC高速计数器却要求接受的是0-24v传输脉冲信号、有的编码器为了提高编码器的可靠性,提供A+、A-,B+、B-,Z+、Z-对称反相计数脉冲或者提供A+、A-,B+、B-,Z+、Z-对称反向的正弦矢量信号,但PLC高速计数器接收的计数脉冲是单相脉冲。使用者没有选用合适的接口而放弃了其中一相(是为提高系统抗干扰能力而提供的双相计数脉冲)进行计数。又如在应用旋转编码器、光栅尺的场合非单方向匀速运动,其运动速度是时快时慢、时动时静止、时正时反的不确定性、或者在运动速度非常低的场合,如果接口没有匹配处理好是非常容易发生计数误差的、还有脉冲数据传输距离稍长些,脉冲传输过程中会产生脉冲波形奇变。有许多应用场合虽然计数脉冲频率不高,而忽略了PLC高速脉冲计数器对计数脉冲的沿口是有速率要求(脉冲形成的上升、下降沿口响应速度要陡峭),尤其是在应用线数比较高的编码器在低速运行时,由于机械运动必然产生细微斗动或者编码器前级安有变速齿轮,就很容易会引起编码脉冲前后沿口上出现锯齿口。还有长期机械运动产生磨损,使间隙变大也会引起编码脉冲前后沿口上出现锯齿口。
在工业现场的干扰是错综复杂的,由来自控制现场如电动机的启动停止、大电流接触器的切换、可控硅的调相干扰、电弧电脉冲、电磁波等等复杂的干扰群,那纵向和横向电磁干扰是罗列不完。
问题最终综合反映在计数脉冲上,产生了寄生毛刺信号或寄生干扰脉冲,寄生毛刺脉冲又没有得到有效的遏止整形。所以必然会导致PLC高速计数器的计数精度不稳定、不可靠、产生累计误差、经常会碰到偶发性的计数出错等一系列问题。所以许多部件在实验室做模拟试验时是完好无误的,而一旦到了工业现场却出现种种不正常的现象。这往往是因为忽略了系统设计的整体概念,各个系统与系统之间的不匹配所产生的系统性干扰。它会直接影响到PLC控制精度,使得原本为了提高控制精度而设置的功能,却发挥不了本该提高精度的效果。即理论设计精度与实际得到的效果差距甚远。有时误认为PLC高速计数器质量有问题、编码器有故障、码盘线数还不够多……。且没有找到问题的真迹源头在哪里而无从着手,也没有采取有效克服措施或者没有找到有效的克服干扰的方法。为此我们针对这些在国内电气系统、工业自动化控制系统普遍存在而又常见的有共性的技术问题,专门精心比照分析,研究了许多国外引进的大系统集成项目,自动化控制程度比较高的比较经典的控制系统时。发现有许多是常被我们设计师所忽略的细节,往往认为是“多余”的或者是认为可以“节省”开销的部件,似乎那些接口件去掉照样可以工作。常常是在设计时从成本角度考虑被“精简”掉了。我们对那些可“精简多余”接口部件进行分析研究后又在工业现场实地试验后方知,它在构成系统整体时存在的必要性,和选好对应匹配的接口,是对系统长期稳定运行的可靠保障。尤其是精确度要求比较高的机械电气合一的数控项目中尤为重要。为此我们引进了先进而又成熟的技术,吸收消化了许多细节的处理方法。专门设计了半国产化的MHM-02A/B型双高速光栅隔离耦合器和MHM-06双高速差模信号转换器接口。而且分别还有多种输出方式,可以满足国内外现有形式的PLC控制器的要求。它已经在许多PLC数控系统上,尤其是在那些问题系统上、在老系统进行数控改造项目上实际应用得到了验证。使控制精度有非常显着提高,使理论设计精度与实际得到的效果完全吻合。
输入参数 INPUT DATA
工作电压范围 Operating Voltage Range 5 - 24 V
输入直流电压 Input DC Voltage A型为PLC电平0 - 24 V ,B型为TTL电平0 - 5V
典型输入电流 Type Input Current With Un 5 mA
典型传输频率 Transmission Frequency MHM032A/B 0 - 800 KHz ,MHM-03AO/BO 0 - 400KHz
输出参数 OUTPUT DATA
工作电压范围 Operating Voltage Range 5 – 35 V (DC)
连续负载电流输出电流 Continuous Load Current 25 mA \ 集电极开路 100 mA
典型开关速度 Switch – Off Delay 0.5 us
典型运行参数 TYPE GENERAL DATA
输入输出隔离电压 Isolation Voltage in / out 2500 V
工作温度范围 Operating Temperature Range -20 - +70 ℃
外形尺寸 Outside dimension 80mm ( H ) × 25mm ( W ) × 59mm ( D ) DIN
注: MHM-03AT输入PLC电平、MHM-02BT输入TTL电平,而模块的工作电源范围可DC 9 – 30 V,而输出固定为TTL电平。
MHM-03AO输入PLC电平、MHM-02BO输入TTL电平,而模块的工作电源范围可DC 9 – 30 V,而输出为集电极开路OC。