0
问答首页 最新问题 热门问题 等待回答标签广场
我要提问

开关电源电路电源

便携式数码产品的电源供电电路

便携式数码产品的电源供电电路
提问者:60user144 地点:- 浏览次数:5687 提问时间:03-19 05:48
我有更好的答案
提 交
1条回答
nmsaknd 03-24 13:27

4.便携式数码产品的电源供电电路.gif


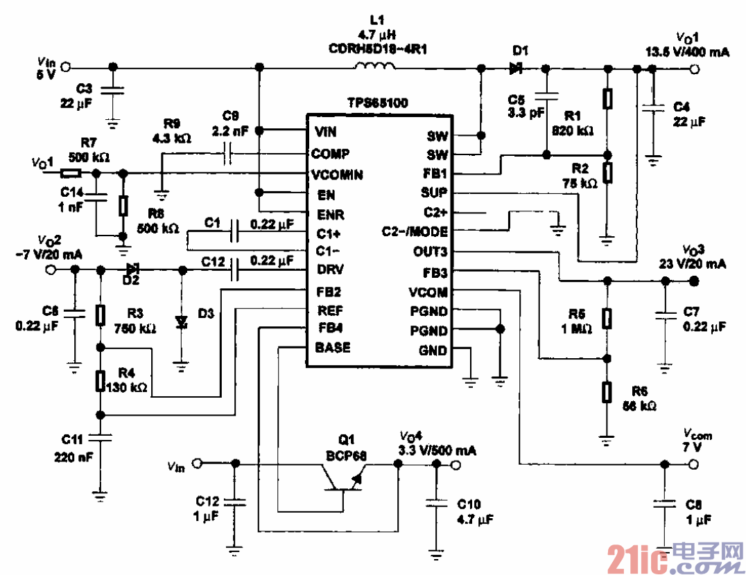
便携式数码产品的电源供电电路


所示是液晶显示器的电源供电电路,它将+5 V电源变成多组电源输出,即+13.5 V(400 mA)、

+23V(20 mA)、-7V(20 mA)、+7V和+3.3V电源。

撰写答案
提 交
1 / 3
1 / 3
相关开关电源电路
TEA1753T开关电源应用电路
TH-1024S集线器开关电源电路图
24V开关电源原理电路图
谁有开关电源电路原理图
一种UC3842设计的PWM开关电源电路
相关电源
TDA16846组成的彩电开关电源原理图
联想LX-PL4C2型彩色显示器开关电源电路
长虹CN-9机心彩电开关电源电路
索尼KV2184彩电开关电源电路
王牌TCL-3460D彩电开关电源电路