0
问答首页 最新问题 热门问题 等待回答标签广场
我要提问

开关电源电路电源

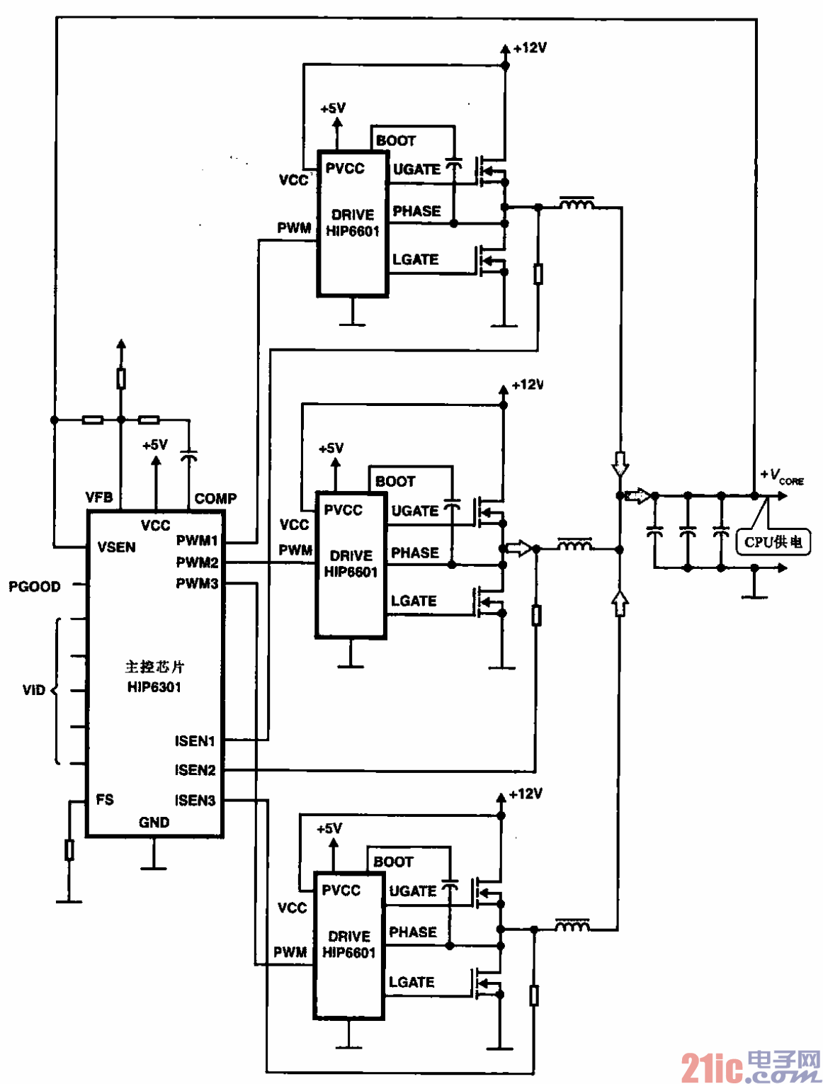
采用HIP6301和HIP6601芯片的3相CPU电源电路

采用HIP6301和HIP6601芯片的3相CPU电源电路
提问者:mingodong 地点:- 浏览次数:4632 提问时间:04-19 10:17
我有更好的答案
提 交
1条回答
vitamin维他命 04-21 08:33

13.采用HIP6301和HIP6601芯片的3相CPU电源电路.gif


采用HIP6301和HIP6601芯片的3相CPU电源电路


 

撰写答案
提 交
1 / 3
1 / 3
相关开关电源电路
TEA1753T开关电源应用电路
TH-1024S集线器开关电源电路图
24V开关电源原理电路图
谁有开关电源电路原理图
一种UC3842设计的PWM开关电源电路
相关电源
TDA16846组成的彩电开关电源原理图
联想LX-PL4C2型彩色显示器开关电源电路
长虹CN-9机心彩电开关电源电路
索尼KV2184彩电开关电源电路
王牌TCL-3460D彩电开关电源电路