电子百科

放大电路,是增加电信号幅度或功率的电子电路。应用放大电路实现放大的装置称为放大器。它的核心是电子有源器件,如电子管、晶体管等。为了实现放大,必须给放大器提供能量。常用的能源是直流电源,但有的放大器也利用高频电源作为泵浦源。放大作用的实质是把电源的能量转移给输出信号。输入信号的作用是控制这种转移,使放大器输出信号的变化重复或反映输入信号的变化。现代电子系统中,电信号的产生、发送、接收、变换和处理,几乎都以放大电路为基础。
放大电路的基本形式有三种:共发射极放大电路、共基极放大电路和共集电极放大电路。在构成多级放大器时,这几种电路常常需要相互组合使用。
1.晶体管必须偏置在放大区。发射结正偏,集电结反偏。
2.正确设置静态工作点,使整个波形处于放大区。
3.输入回路将变化的电压转化成变化的基极电流。
4.输出回路将变化的集电极电流转化成变化的集电极电压,经电容滤波只输出交流信号。
1.共发射极放大电路
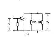
图①(a)是共发射极放大电路。C1是输入电容,C2是输出电容,三极管VT就是起放大作用的器件,RB是基极偏置电阻,RC是集电极负载电阻。1、3端是输入,2、3端是输出。3端是公共点,通常是接地的,也称“地”端。静态时的直流通路见图①(b),动态时交流通路见图①(c)。


电路的特点是电压放大倍数从十几到一百多,输出电压的相位拥输入电压是相反的,性能不够稳定,可用于一般场合。
2.分压式偏置共发射极放大电路
图②比图①多用3个元件。基极电压是由RBl和RB2分压取得的,所以称为分压偏置。发射极中增加电阻RE和电容CE,CE称交流旁路电容,对交流是短路的,RE则有直流负反馈作用。所谓反馈是指把输出的变化通过某种方式送到输入端,作为输入的一部分。如果送回部分和原来的输入部分是相减的,就是负反馈。

图中基极真正的输入电压是RB2上电压和RE上电压的差值,所以是负反馈。由于采取了上面两个措施,使电路工作稳定性能提高,是应用最广的放大电路。
3.射极输出器
图③(a)是一个射极输出器。它的输出电压是从射极输出的。图③(b)是它的交流通路图,可以看到它是共集电极放大电路。

这个图中,晶体管真正的输入是Vl和V。的差值,所以这是一个交流负反馈很深的电路,由于很深的负反馈,这个电路的特点是:电压放大倍数小于1而接近1,输出电压和输入电压同相输入阻抗高输出阻抗低,失真小,频带宽,工作稳定.它经常被用作放大器的输入级,输出级或作阻抗匹配之用。
4.低频放大器的耦合
一个放大器通常有好几级,级与级之间的联系就称为耦合。

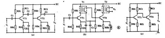
放大器的级间耦合方式有三种:(一)RC耦合,见图④(a),优点是简单、成本低,但性能不是最佳;(二)变压器耦合,见图④(b),优点是阻抗匹配好、输出功率和效率高,但变压器制作比较麻烦;(三)直接耦合,见图④(c),优点是频带宽,可作直流放大器使用,但前后级工作有牵制,稳定性差,设计制作较麻烦。
20世纪初,真空三极管的发明和电信号放大的实现,标志着电子学发展到一个新的阶段。20世纪40年代末晶体管的问世,特别是60年代集成电路的问世,加速了电子放大器以至电子系统小型化和微型化的进程。
现代使用最广的是以晶体管(双极型晶体管或场效应晶体管)放大电路为基础的集成放大器。大功率放大以及高频、微波的低噪声放大,常用分立晶体管放大器。高频和微波的大功率放大主要靠特殊类型的真空管,如功率三极管或四极管、磁控管、速调管、行波管以及正交场放大管等。