电子百科

采用RC选频网络构成的振荡电路称为RC振荡电路,它适用于低频振荡,一般用于产生1Hz~1MHz的低频信号。因为对于RC振荡电路来说,增大电阻R即可降低振荡频率,而增大电阻是无需增加成本的。RC振荡电路结构如下图:

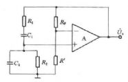
输出电压 uo 经正反馈(兼选频)网络分压后,取uf? 作为同相比例电路的输入信号ui。
(1) 起振过程

(2) 稳定振荡

(3) 振荡频率
振荡频率由相位平衡条件决定。
φA= 0,仅在 f0处 φF = 0 满足相位平衡条件,所以振荡频率f0= 1/2πRC。
改变R、C可改变振荡频率
RC振荡电路的振荡频率一般在200KHz以下。
振荡频率的调整

(4)起振及稳定振荡的条件

考虑到起振条件AuF > 1, 一般应选取 RF略大2R1。如果这个比值取得过大,会引起振荡波形严重失真。
由运放构成的RC串并联正弦波振荡电路不是靠运放内部的晶体管进入非线性区稳幅,而是通过在外部引入负反馈来达到稳幅的目的。
RC振荡电路用途很广,比如当振捣器时就用作产生波形输出,比如正弦波,三角波等;再把R、C的参数设计好,就可以产生带宽很窄的脉冲波形了;另外RC电路同集成运放联用还用作滤波器LPF/HPF、微分器、积分器等。
常用LC振荡电路产生的正弦波频率较高,若要产生频率较低的正弦振荡,势必要求振荡回路要有较大的电感和电容,这样不但元件体积大、笨重、安装不便,而且制造困难、成本高。因此,200kHz以下的正弦振荡电路,一般采用振荡频率较低的RC振荡电路。
1.RC相移振荡电路


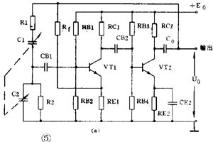
图(a)是 RC 相移振荡电路。电路中的 3 节 RC 网络同时起到选频和正反馈的作用。从图(b)的交流等效电路看到:因为是单级共发射极放大电路,晶体管 VT 的输出电压 Uo 与输出电压 Ui 在相位上是相差 180° 。当输出电压经过 RC 网络后,变成反馈电压 U f 又送到输入端时,由于 RC 网络只对某个特定频率 f0 的电压产生 180° 的相移,所以只有频率为 f0 的信号电压才是正反馈而使电路起振。可见 RC 网络既是选频网络,又是正反馈电路的一部分。
RC 相移振荡电路的特点是:电路简单、经济,但稳定性不高,而且调节不方便。一般都用作固定频率振荡器和要求不太高的场合。它的振荡频率是:当 3 节 RC
网络的参数相同时: f0= 1 2π 6RC 。频率一般为几十千赫。
2.RC桥式振荡电路


图(a)是一种常见的 RC 桥式振荡电路。图中左侧的 R1C1 和 R2C2 串并联电路就是它的选频网络。这个选频网络又是正反馈电路的一部分。这个选频网络对某个特定频率为 f 0的信号电压没有相移(相移为0°),其它频率的电压都有大小不等的相移。由于放大器有 2 级,从 V2 输出端取出的反馈电压 Uf 是和放大器输入电压同相的(2 级相移 360°=0°)。因此反馈电压经选频网络送回到 VT1 的输入端时,只有某个特定频率为 f0 的电压才能满足相位平衡条件而起振。可见 RC 串并联电路同时起到了选频和正反馈的作用。
实际上为了提高振荡器的工作质量,电路中还加有由 Rt 和 RE1 组成的串联电压负反馈电路。其中 Rt 是一个有负温度系数的热敏电阻,它对电路能起到稳定振荡幅度和减小非线性失真的作用。从图(b)的等效电路看到,这个振荡电路是一个桥形电路。 R1C1 、 R2C2 、 Rt 和 RE1 分别是电桥的 4 个臂,放大器的输入和输出分别接在电桥的两个对角线上,所以被称为 RC 桥式振荡电路。
RC 桥式振荡电路的性能比 RC 相移振荡电路好。它的稳定性高、非线性失真小,频率调节方便。它的振荡频率是:当 R1=R2=R 、 C1=C2=C 时 f0= 12πRC 。它的频率范围从 1 赫~ 1 兆赫。
1.最简单的振荡器

这种振荡器特点是:T≈(1.4~2.3)R*C。
电源波动将使频率不稳定,适合小于100KHz的低频振荡情况。
2.加补偿电阻的振荡

T≈(1.4~2.2)R*C,电源对频率的影响减小,频率稳定度可控制在5%。
3.环行振荡器

采用TTL反相器,频率可达50MHz。
4.采用施密特触发器构成的振荡器

5.采用两三极管构成的振荡器

其中R5=R8,R7=R6,C5=C6。