
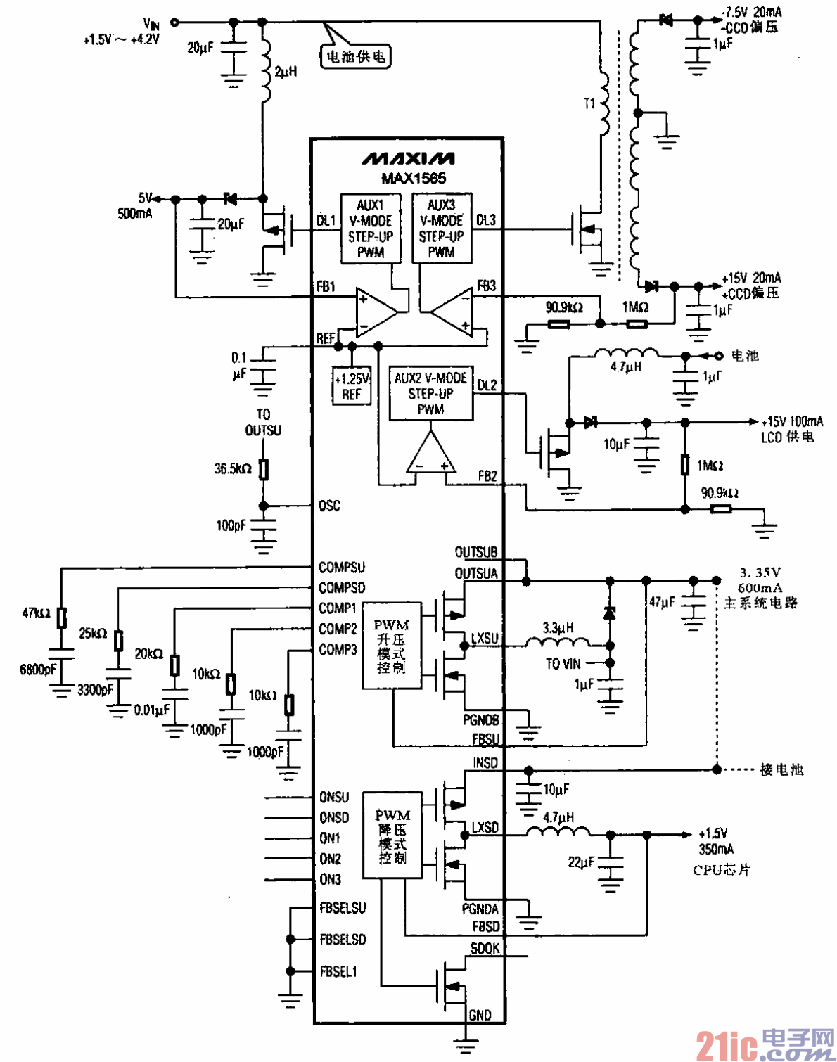
数码相机5通道供电电源MAX1565
所示为数码相机5通道供电电源MAX1565,由图可知,芯片内设有多路脉宽信号产生和
控制电路,根据数码相机所需的直流电压值和电流采用不同的稳压方式。芯片的DL3脚输出71压式PWM
驱动信号-使外部场效应管工作在开关状态,开关变压器Tl初级绕组中形成PWM脉冲电流,经开关变
压器Tl的次级二路整流滤波分别输出+15 V(20 mA)和7.5 V(20 rnA)的电压。DL1、DL2端输出升
压式PWM信号,分别经场效应开关管和整流滤波电路输出+5 V和+15 V电压。还有两组PWM电路,
经各自的一组开关场效应晶体管,将直流电压变成开关脉冲。然后经滤波电路输出直流电压,为CPU等
电路供电。