0
问答首页 最新问题 热门问题 等待回答标签广场
我要提问

开关电源电路

待机供电电路

待机供电电路
提问者:JoyceChang 地点:- 浏览次数:8003 提问时间:10-28 20:16
我有更好的答案
提 交
1条回答
faceCa 11-01 03:15

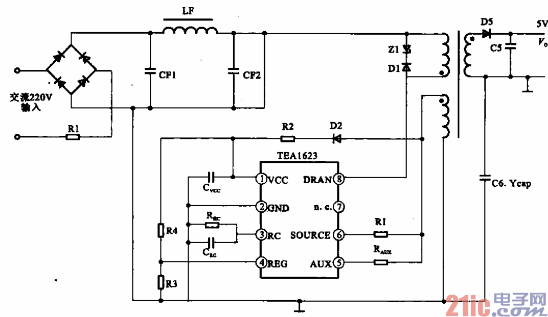
31.待机供电电路.gif


待机供电电路


所示是数码产品中的待机供电电路,它采用开关电源的结构形式,开关振荡集成电路

TEA1623为开关变压器提供振荡脉冲。开关变压器次级输出经整流滤波后形成+5 V电压,为微处理器控

制电路供电。

撰写答案
提 交
1 / 3
1 / 3
相关开关电源电路
TEA1753T开关电源应用电路
TH-1024S集线器开关电源电路图
24V开关电源原理电路图
谁有开关电源电路原理图
一种UC3842设计的PWM开关电源电路